PRODUCTS

  • Home
  • Giới thiệu sản phẩm

INA
81196-M
Axial cylindrical roller bearing 81196-M
Thêm vào yêu cầu báo giá
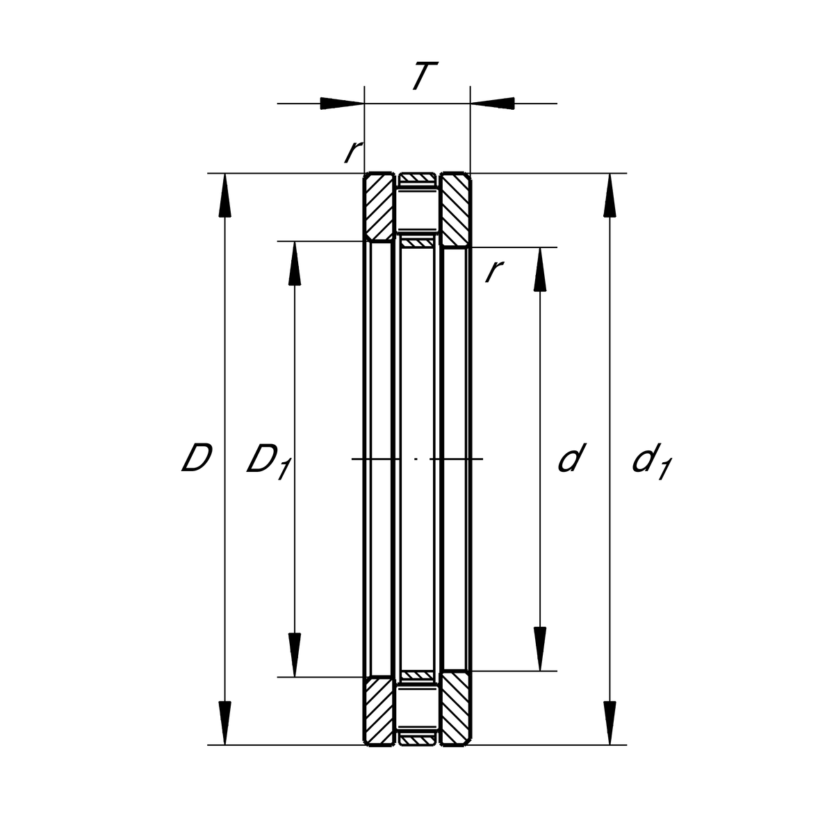
Main Dimensions & Performance Data
d
480 mm
Bore diameter
T
80 mm
Height
Ca
1,860,000 N
Basic dynamic load rating, axial
C0a
8,900,000 N
Basic static load rating, axial
Cua
680,000 N
Fatigue load limit, axial
nG
540 1/min
Limiting speed
nϑr
171 1/min
Reference speed
D
580 mm
Outside diameter
≈m
45.01 kg
Weight

Mounting dimensions
da min
573 mm
Minimum diameter shaft shoulder
Da max
494 mm
Maximum diameter of housing shoulder

Dimensions
D1
484 mm
Bore diameter housing washer
d1
575 mm
Rip diameter shaft washer
rmin
2.1 mm
Minimum chamfer dimension

Temperature range
Tmin
-30 °C
Operating temperature min.
Tmax
120 °C
Operating temperature max.

Additional information
K81196-M
Axial roller and cage assembly
GS81196
Housing Washer
WS81196
Shaft washer

Your current product variant
CageMBrass Cage
Thêm vào yêu cầu báo giá