PRODUCTS

  • Home
  • Giới thiệu sản phẩm

INA
81192-M
Axial cylindrical roller bearing 81192-M
Thêm vào yêu cầu báo giá
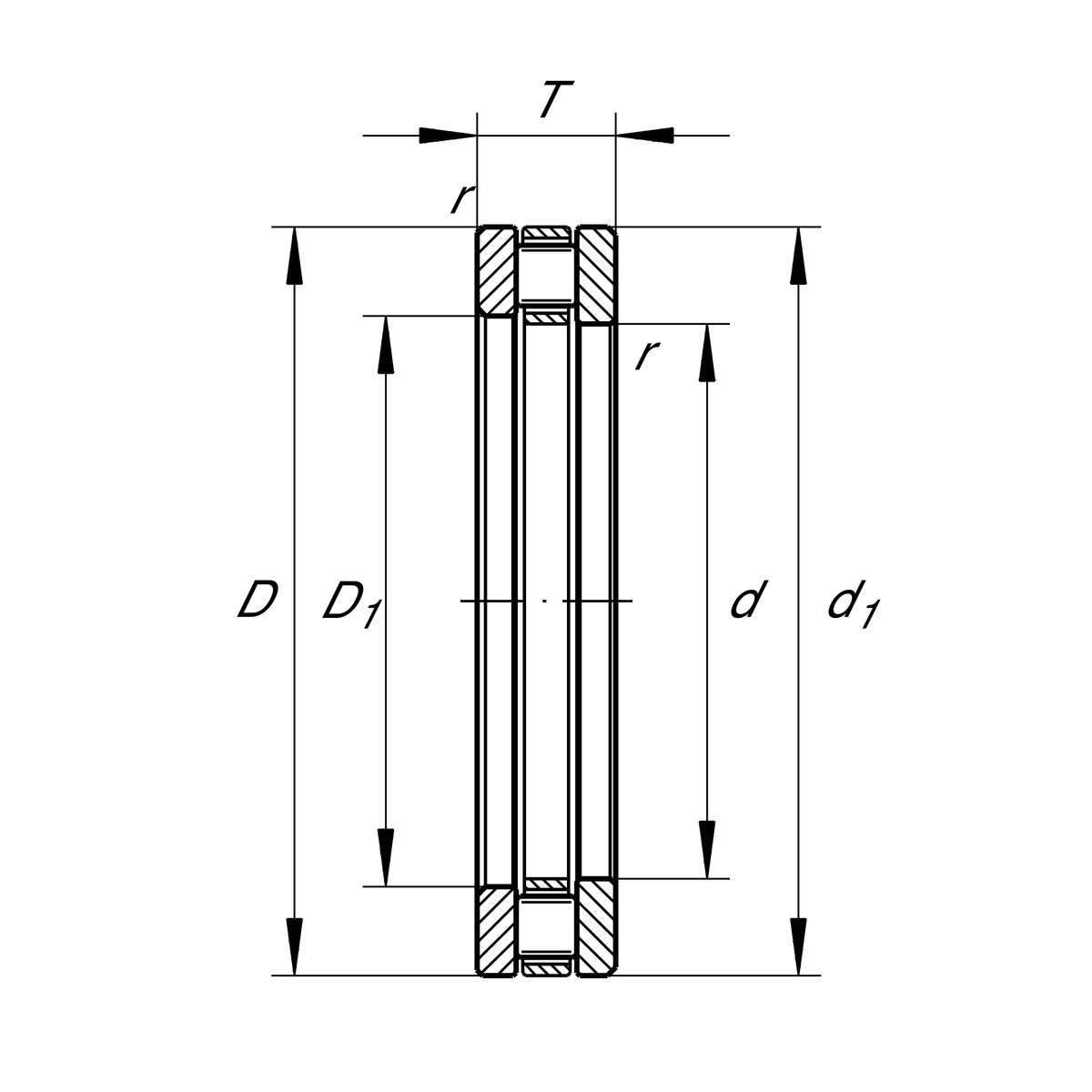
Main Dimensions & Performance Data
d
460 mm
Bore diameter
T
80 mm
Height
Ca
1,840,000 N
Basic dynamic load rating, axial
C0a
8,700,000 N
Basic static load rating, axial
Cua
670,000 N
Fatigue load limit, axial
nG
560 1/min
Limiting speed
nϑr
177 1/min
Reference speed
D
560 mm
Outside diameter
≈m
45.18 kg
Weight

Mounting dimensions
da min
553 mm
Minimum diameter shaft shoulder
Da max
474 mm
Maximum diameter of housing shoulder

Dimensions
D1
464 mm
Bore diameter housing washer
d1
555 mm
Rip diameter shaft washer
rmin
2.1 mm
Minimum chamfer dimension

Temperature range
Tmin
-30 °C
Operating temperature min.
Tmax
120 °C
Operating temperature max.

Additional information
K81192-M
Axial roller and cage assembly
GS81192
Housing Washer
WS81192
Shaft washer

Your current product variant
CageMBrass Cage
Thêm vào yêu cầu báo giá