PRODUCTS

  • Home
  • Giới thiệu sản phẩm

INA
81188-M
Axial cylindrical roller bearing 81188-M
Thêm vào yêu cầu báo giá
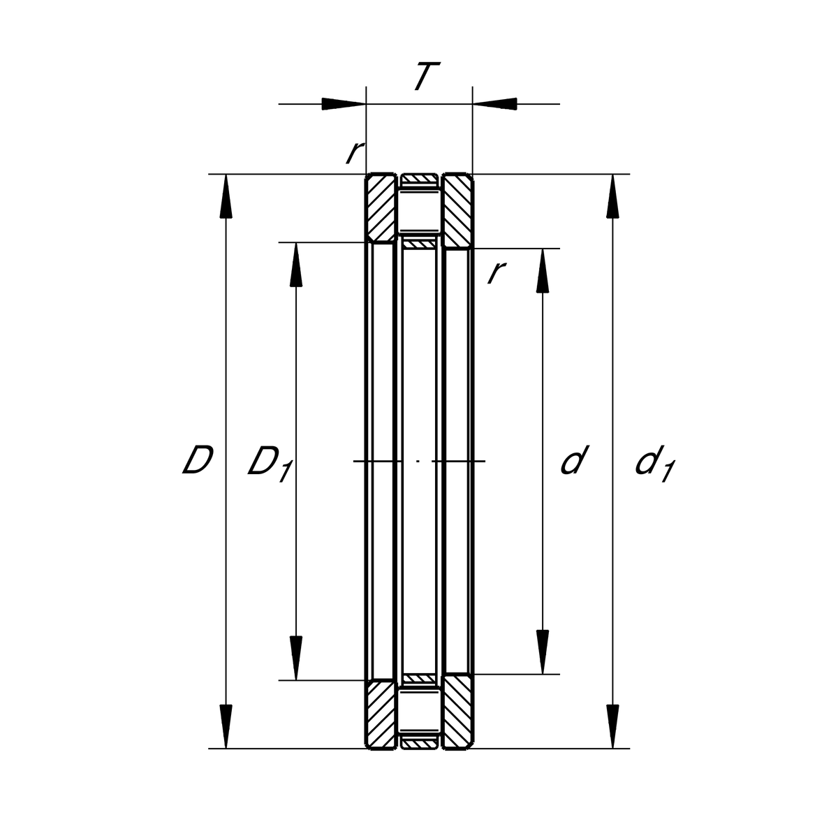
Main Dimensions & Performance Data
d
440 mm
Bore diameter
T
80 mm
Height
Ca
1,790,000 N
Basic dynamic load rating, axial
C0a
8,200,000 N
Basic static load rating, axial
Cua
640,000 N
Fatigue load limit, axial
nG
590 1/min
Limiting speed
nϑr
189 1/min
Reference speed
D
540 mm
Outside diameter
≈m
43.2 kg
Weight

Mounting dimensions
da min
533 mm
Minimum diameter shaft shoulder
Da max
454 mm
Maximum diameter of housing shoulder

Dimensions
D1
444 mm
Bore diameter housing washer
d1
535 mm
Rip diameter shaft washer
rmin
2.1 mm
Minimum chamfer dimension

Temperature range
Tmin
-30 °C
Operating temperature min.
Tmax
120 °C
Operating temperature max.

Additional information
K81188-M
Axial roller and cage assembly
GS81188
Housing Washer
WS81188
Shaft washer

Your current product variant
CageMBrass Cage
Thêm vào yêu cầu báo giá