PRODUCTS

  • Home
  • Giới thiệu sản phẩm

INA
812/500-M
Axial cylindrical roller bearing 812/500-M
Thêm vào yêu cầu báo giá
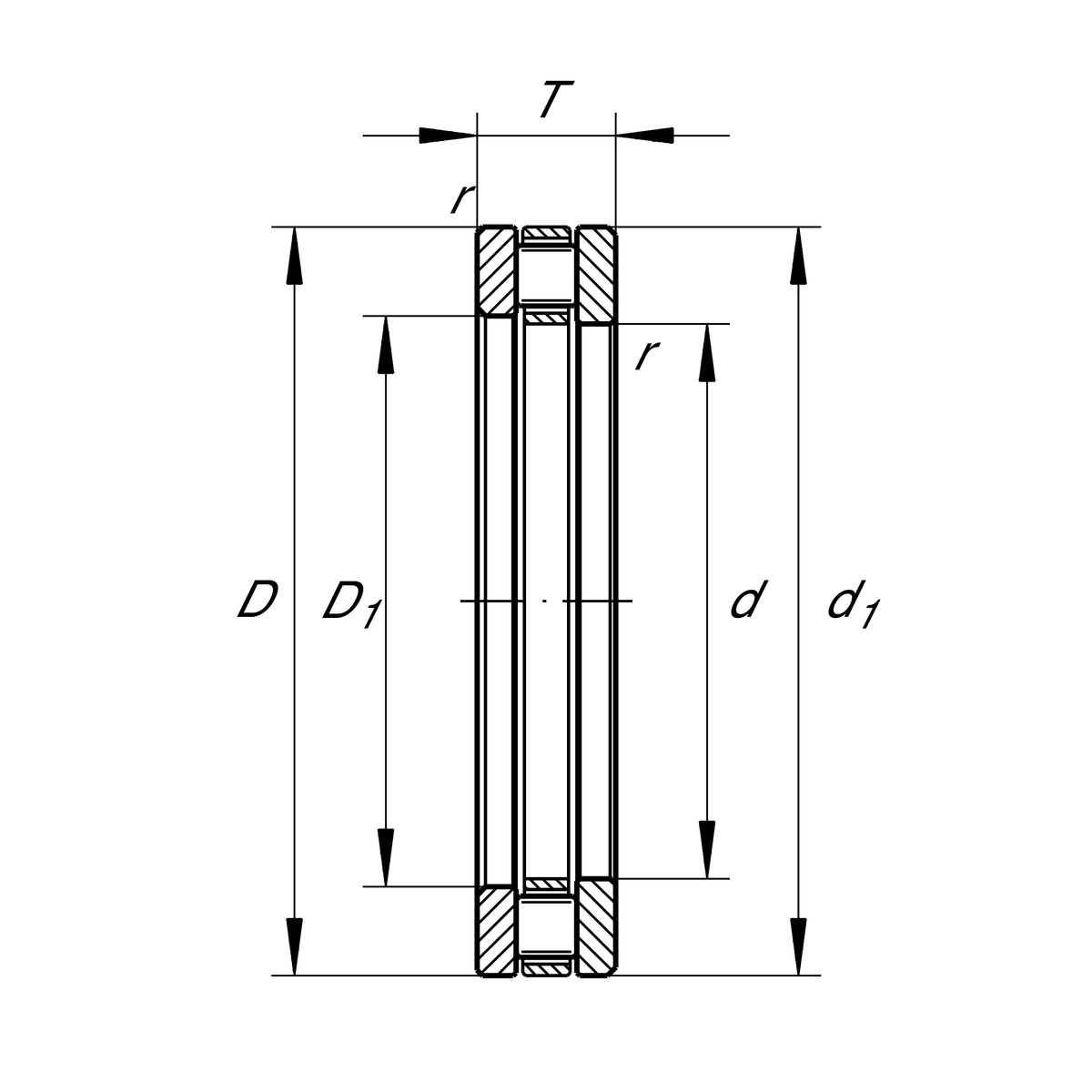
Main Dimensions & Performance Data
d
500 mm
Bore diameter
T
135 mm
Height
Ca
4,250,000 N
Basic dynamic load rating, axial
C0a
18,000,000 N
Basic static load rating, axial
Cua
1,260,000 N
Fatigue load limit, axial
nG
490 1/min
Limiting speed
nϑr
135 1/min
Reference speed
D
670 mm
Outside diameter
≈m
158.27 kg
Weight

Mounting dimensions
ra max
5 mm
Maximum recess radius

Dimensions
D1
505 mm
Bore diameter housing washer
d1
665 mm
Rip diameter shaft washer
rmin
5 mm
Minimum chamfer dimension

Temperature range
Tmin
-30 °C
Operating temperature min.
Tmax
120 °C
Operating temperature max.

Additional information
K812/500-M
Axial roller and cage assembly
GS812/500
Housing Washer
WS812/500
Shaft washer

Your current product variant
CageMBrass Cage
Thêm vào yêu cầu báo giá