PRODUCTS

  • Home
  • Giới thiệu sản phẩm

INA
812/530-M
Axial cylindrical roller bearing 812/530-M
Thêm vào yêu cầu báo giá
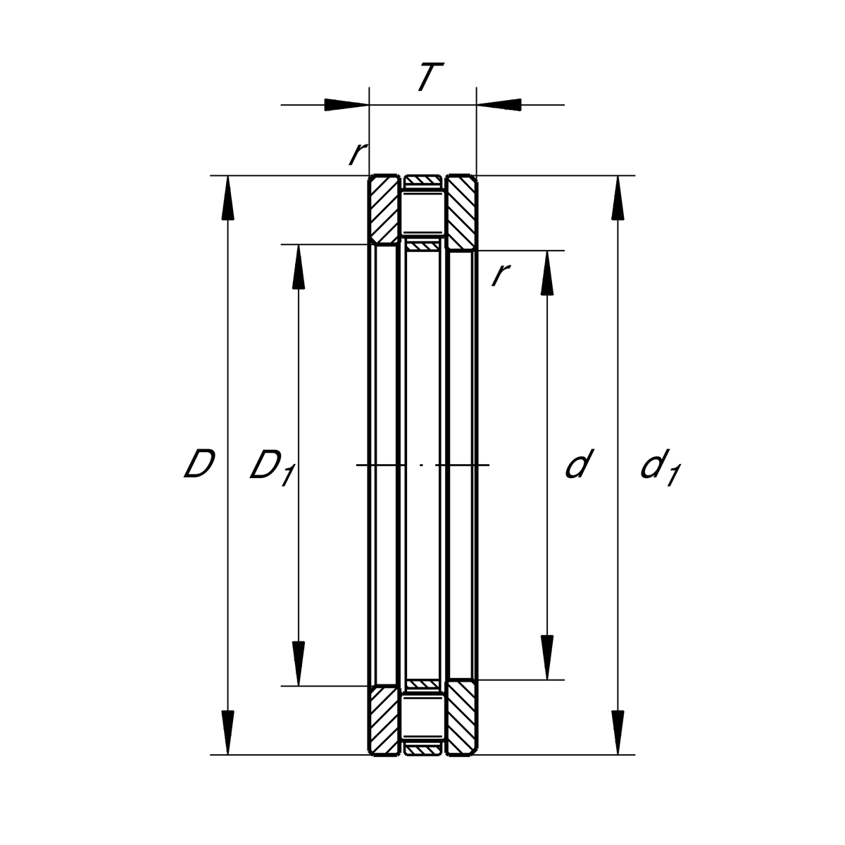
Main Dimensions & Performance Data
d
530 mm
Bore diameter
T
140 mm
Height
Ca
4,850,000 N
Basic dynamic load rating, axial
C0a
20,500,000 N
Basic static load rating, axial
Cua
1,450,000 N
Fatigue load limit, axial
nG
465 1/min
Limiting speed
nϑr
124 1/min
Reference speed
D
710 mm
Outside diameter
≈m
184 kg
Weight

Mounting dimensions
ra max
5 mm
Maximum recess radius

Dimensions
D1
535 mm
Bore diameter housing washer
d1
705 mm
Rip diameter shaft washer
rmin
5 mm
Minimum chamfer dimension

Temperature range
Tmin
-30 °C
Operating temperature min.
Tmax
120 °C
Operating temperature max.

Additional information
K812/530-M
Axial roller and cage assembly
GS812/530
Housing Washer
WS812/530
Shaft washer

Your current product variant
CageMBrass Cage
Thêm vào yêu cầu báo giá