PRODUCTS

  • Home
  • Giới thiệu sản phẩm

INA
81107-TV
Axial cylindrical roller bearing 81107-TV
Thêm vào yêu cầu báo giá
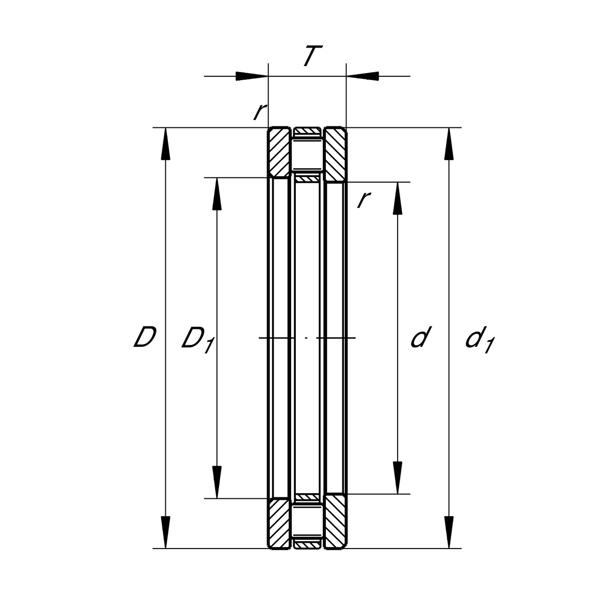
Main Dimensions & Performance Data
d
35 mm
Bore diameter
T
12 mm
Height
Ca
39,000 N
Basic dynamic load rating, axial
C0a
101,000 N
Basic static load rating, axial
Cua
9,600 N
Fatigue load limit, axial
nG
6,600 1/min
Limiting speed
nϑr
2,600 1/min
Reference speed
D
52 mm
Outside diameter
≈m
74 g
Weight

Mounting dimensions
da min
51 mm
Minimum diameter shaft shoulder
Da max
36 mm
Maximum diameter of housing shoulder
ra max
0.6 mm
Maximum recess radius

Dimensions
D1
37 mm
Bore diameter housing washer
d1
52 mm
Rip diameter shaft washer
rmin
0.6 mm
Minimum chamfer dimension

Temperature range
Tmin
-30 °C
Operating temperature min.
Tmax
120 °C
Operating temperature max.

Additional information
K81107-TV
Axial roller and cage assembly
GS81107
Housing Washer
WS81107
Shaft washer
LS3552
Track Washer

Your current product variant
CageTVPlastic Cage made from PA66
Thêm vào yêu cầu báo giá