PRODUCTS

  • Home
  • Giới thiệu sản phẩm

INA
81106-TV
Axial cylindrical roller bearing 81106-TV
Thêm vào yêu cầu báo giá
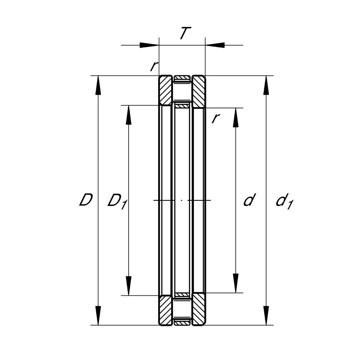
Main Dimensions & Performance Data
d
30 mm
Bore diameter
T
11 mm
Height
Ca
35,500 N
Basic dynamic load rating, axial
C0a
86,000 N
Basic static load rating, axial
Cua
8,200 N
Fatigue load limit, axial
nG
7,500 1/min
Limiting speed
nϑr
3,050 1/min
Reference speed
D
47 mm
Outside diameter
≈m
58 g
Weight

Mounting dimensions
da min
46 mm
Minimum diameter shaft shoulder
Da max
31 mm
Maximum diameter of housing shoulder
ra max
0.6 mm
Maximum recess radius

Dimensions
D1
32 mm
Bore diameter housing washer
d1
47 mm
Rip diameter shaft washer
rmin
0.6 mm
Minimum chamfer dimension

Temperature range
Tmin
-30 °C
Operating temperature min.
Tmax
120 °C
Operating temperature max.

Additional information
K81106-TV
Axial roller and cage assembly
GS81106
Housing Washer
WS81106
Shaft washer
LS3047
Track Washer

Your current product variant
CageTVPlastic Cage made from PA66
Thêm vào yêu cầu báo giá