PRODUCTS

  • Home
  • Giới thiệu sản phẩm

INA
81108-TV
Axial cylindrical roller bearing 81108-TV
Thêm vào yêu cầu báo giá
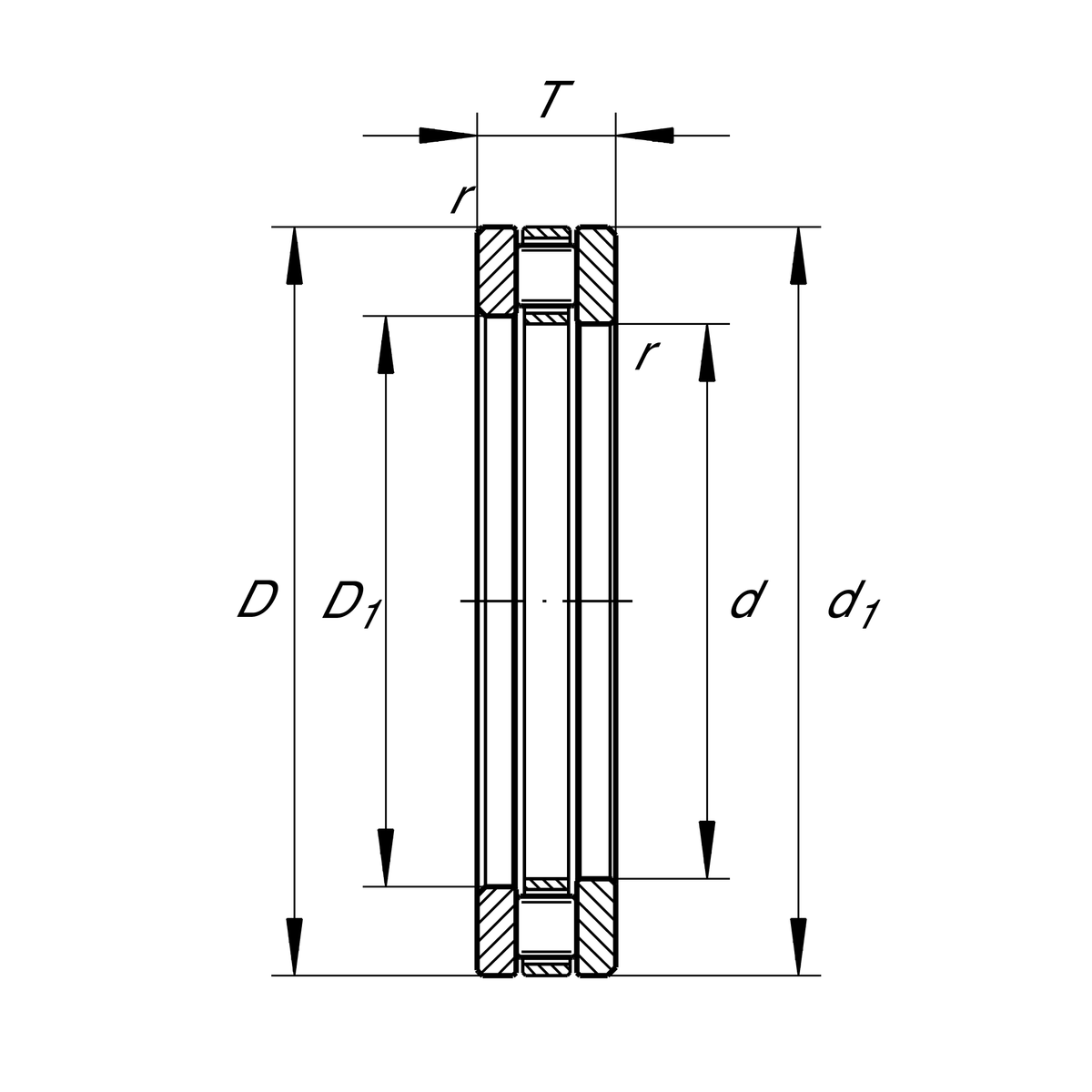
Main Dimensions & Performance Data
d
40 mm
Bore diameter
T
13 mm
Height
Ca
56,000 N
Basic dynamic load rating, axial
C0a
148,000 N
Basic static load rating, axial
Cua
14,500 N
Fatigue load limit, axial
nG
5,900 1/min
Limiting speed
nϑr
2,240 1/min
Reference speed
D
60 mm
Outside diameter
≈m
107.7 g
Weight

Mounting dimensions
da min
58 mm
Minimum diameter shaft shoulder
Da max
42 mm
Maximum diameter of housing shoulder

Dimensions
D1
42 mm
Bore diameter housing washer
d1
60 mm
Rip diameter shaft washer
rmin
0.6 mm
Minimum chamfer dimension

Temperature range
Tmin
-30 °C
Operating temperature min.
Tmax
120 °C
Operating temperature max.

Additional information
K81108-TV
Axial roller and cage assembly
GS81108
Housing Washer
WS81108
Shaft washer
LS4060
Track Washer

Your current product variant
CageTVPlastic Cage made from PA66
Thêm vào yêu cầu báo giá