PRODUCTS
- Home
- Giới thiệu sản phẩm
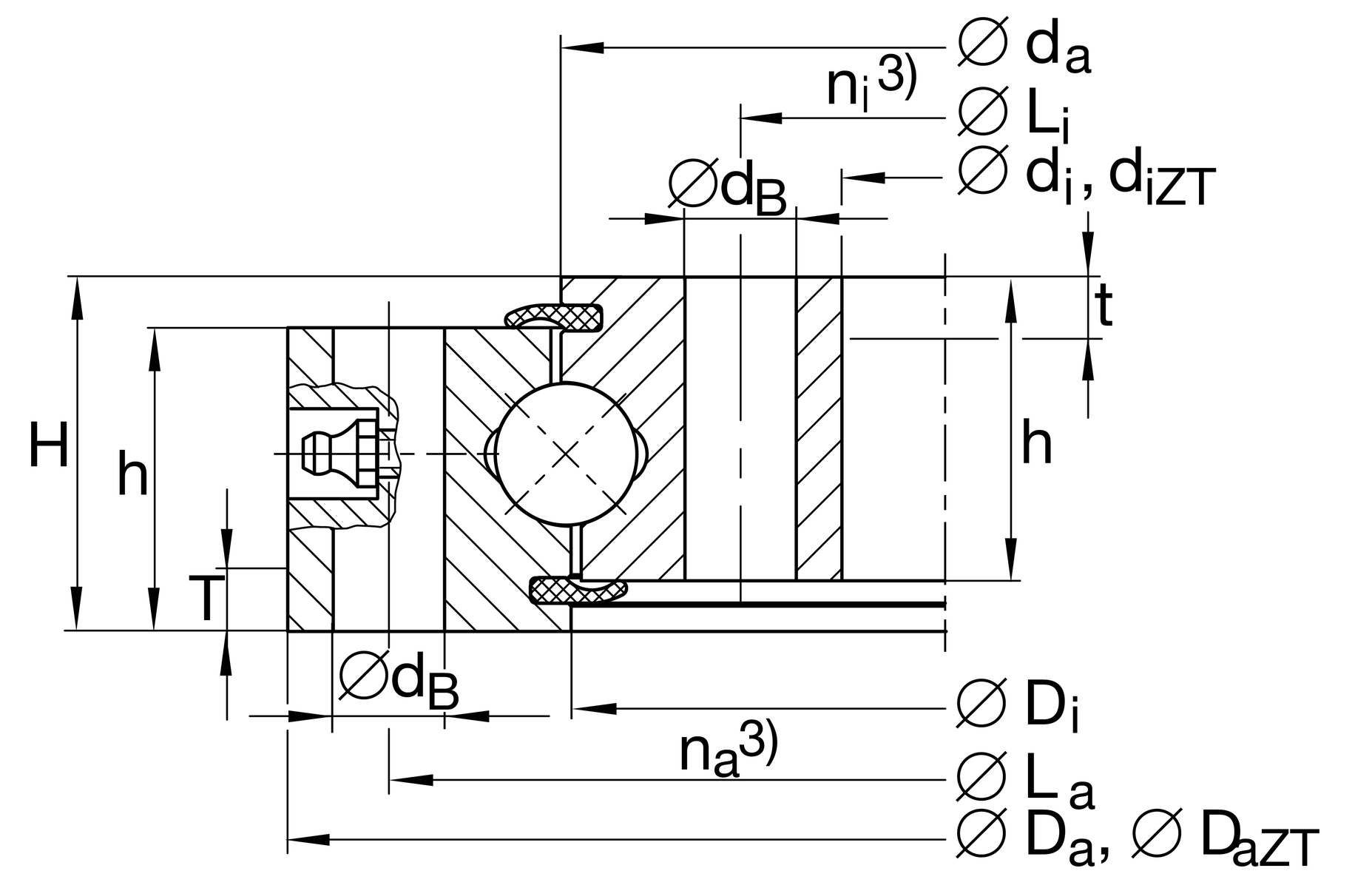
| di | 138 mm | Inner diameter inner ring |
0.5 mm | Inner diameter inner ring lower tolerance | |
0.5 mm | Inner diameter inner ring upper tolerance | |
| diZT | 140 mm | Diameter centring inner ring |
IT8 | Diameter centring inner ring tolerance | |
| H | 46 mm | Height |
| Da | 302 mm | Outside Diameter |
0.5 mm | Outside diameter lower tolerance | |
0.5 mm | Outside diameter upper tolerance | |
| Da ZT | 300 mm | Centring diameter outer ring |
-IT8 | Diameter centring outer ring tolerance | |
| T | 6 mm | Length centering outer ring |
| t | 6 mm | Length centering inner ring |
| ha | 41 mm | Width outer ring |
| hi | 41 mm | Width inner ring |
0.05 mm | Normal radial clearance min. | |
0.2 mm | Normal radial clearance max. | |
0.08 mm | Normal axial clearance min. | |
0.33 mm | Normal axial clearance max. | |
| ≈m | 15.601 kg | Weight |
| Di | 219 mm | Inner diameter outer ring |
| da | 221 mm | Outside diameter inner ring |
| dB | 18 mm | Fixing bore |
| La | 270 mm | Pitchcircle diameter fixing holes outer ring |
| na | 10 | Number of fixing holes in outer ring |
| Li | 170 mm | Pitchcircle diameter fixing holes inner ring |
| ni | 10 | Number of fixing holes in inner ring |
| Fr zul | 71,000 N | Max. radial load fixing screws (friction locking) |
| Tmin | -25 °C | Operating temperature min. |
| Tmax | 80 °C | Operating temperature max. |
| Ca | 162,000 N | Basic dynamic load rating, axial |
| C0a | 530,000 N | Basic static load rating, axial |
| Cr | 148,000 N | Basic dynamic load rating, radial (for radial load only) |
| C0r | 243,000 N | Basic static load rating, radial (for radial load only) |
| Centering | ZT | Centering on inner and outer ring |