PRODUCTS

  • Home
  • Giới thiệu sản phẩm

INA
VU200260
Slewing Ring, Four Point contact bearing, without gear teeth VU200260
Thêm vào yêu cầu báo giá
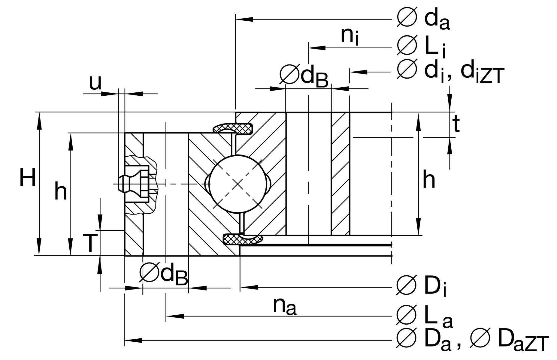
Main Dimensions & Performance Data
di
191 mm
Inner diameter inner ring
0.5 mm
Inner diameter inner ring lower tolerance
0.5 mm
Inner diameter inner ring upper tolerance
H
46 mm
Height
Da
329 mm
Outside Diameter
0.8 mm
Outside diameter lower tolerance
0.8 mm
Outside diameter upper tolerance
ha
41 mm
Width outer ring
hi
41 mm
Width inner ring
0.05 mm
Normal radial clearance min.
0.2 mm
Normal radial clearance max.
0.08 mm
Normal axial clearance min.
0.33 mm
Normal axial clearance max.
≈m
14.936 kg
Weight

Dimensions
Di
259 mm
Inner diameter outer ring
da
261 mm
Outside diameter inner ring
dB
14 mm
Fixing bore
La
305 mm
Pitchcircle diameter fixing holes outer ring
na
20
Number of fixing holes in outer ring
Li
215 mm
Pitchcircle diameter fixing holes inner ring
ni
20
Number of fixing holes in inner ring
Fr zul
82,600 N
Max. radial load fixing screws (friction locking)
umax
2 mm
Max. protrusion lubrication nipple

Temperature range
Tmin
-25 °C
Operating temperature min.
Tmax
80 °C
Operating temperature max.

Calculation factors
Ca
179,000 N
Basic dynamic load rating, axial
C0a
650,000 N
Basic static load rating, axial
Cr
163,000 N
Basic dynamic load rating, radial (for radial load only)
C0r
300,000 N
Basic static load rating, radial (for radial load only)
Thêm vào yêu cầu báo giá