PRODUCTS

  • Home
  • Giới thiệu sản phẩm

INA
VU200220
Slewing Ring, Four Point contact bearing, without gear teeth VU200220
Thêm vào yêu cầu báo giá
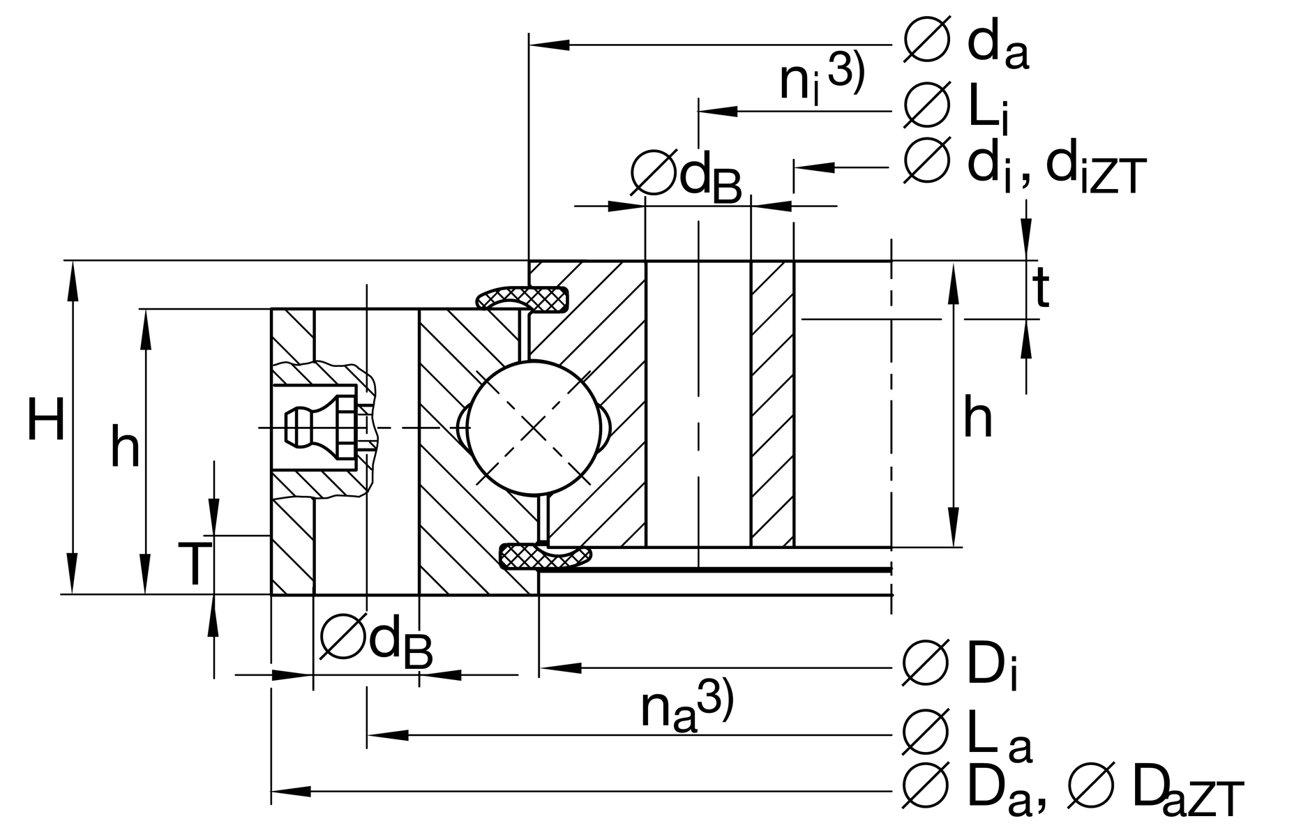
Main Dimensions & Performance Data
di
138 mm
Inner diameter inner ring
0.5 mm
Inner diameter inner ring lower tolerance
0.5 mm
Inner diameter inner ring upper tolerance
H
46 mm
Height
Da
302 mm
Outside Diameter
0.5 mm
Outside diameter lower tolerance
0.5 mm
Outside diameter upper tolerance
ha
41 mm
Width outer ring
hi
41 mm
Width inner ring
0.05 mm
Normal radial clearance min.
0.2 mm
Normal radial clearance max.
0.08 mm
Normal axial clearance min.
0.33 mm
Normal axial clearance max.
≈m
15.6 kg
Weight

Dimensions
Di
219 mm
Inner diameter outer ring
da
221 mm
Outside diameter inner ring
dB
18 mm
Fixing bore
La
270 mm
Pitchcircle diameter fixing holes outer ring
na
10
Number of fixing holes in outer ring
Li
170 mm
Pitchcircle diameter fixing holes inner ring
ni
10
Number of fixing holes in inner ring
Fr zul
78,000 N
Max. radial load fixing screws (friction locking)

Temperature range
Tmin
-25 °C
Operating temperature min.
Tmax
80 °C
Operating temperature max.

Calculation factors
Ca
159,000 N
Basic dynamic load rating, axial
C0a
510,000 N
Basic static load rating, axial
Cr
145,000 N
Basic dynamic load rating, radial (for radial load only)
C0r
235,000 N
Basic static load rating, radial (for radial load only)
Thêm vào yêu cầu báo giá