PRODUCTS
- Home
- Giới thiệu sản phẩm
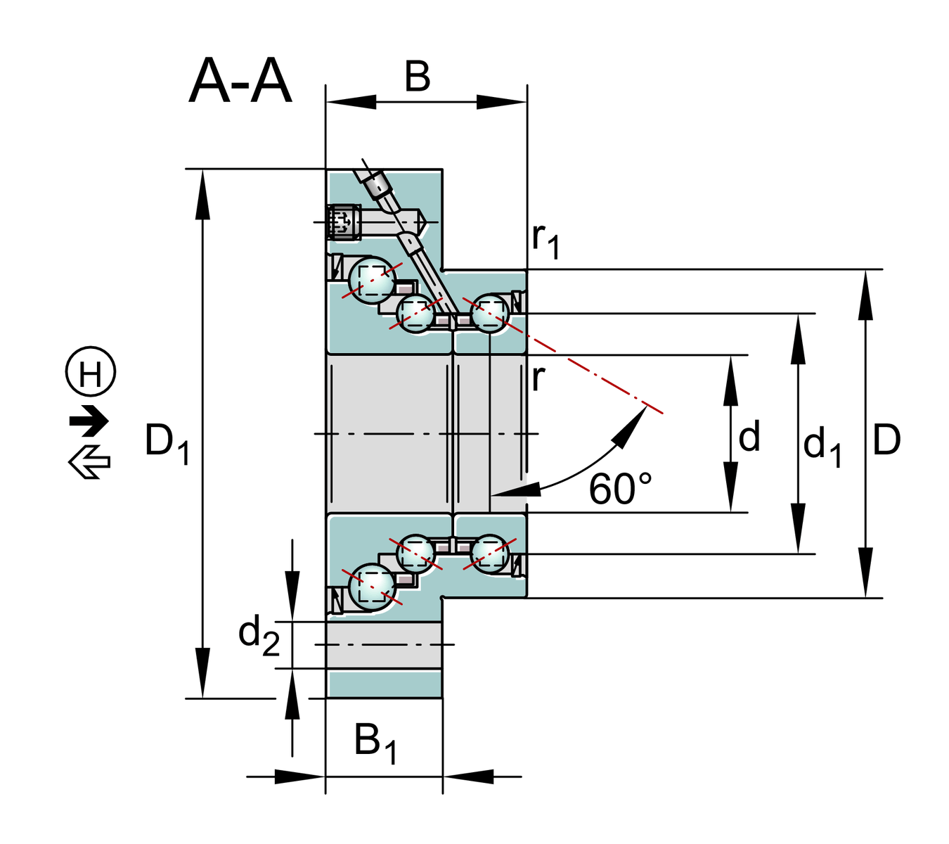
| d | 30 mm | Bore diameter |
0 mm | Bore diameter upper tolerance | |
-0.01 mm | Bore diameter lower tolerance | |
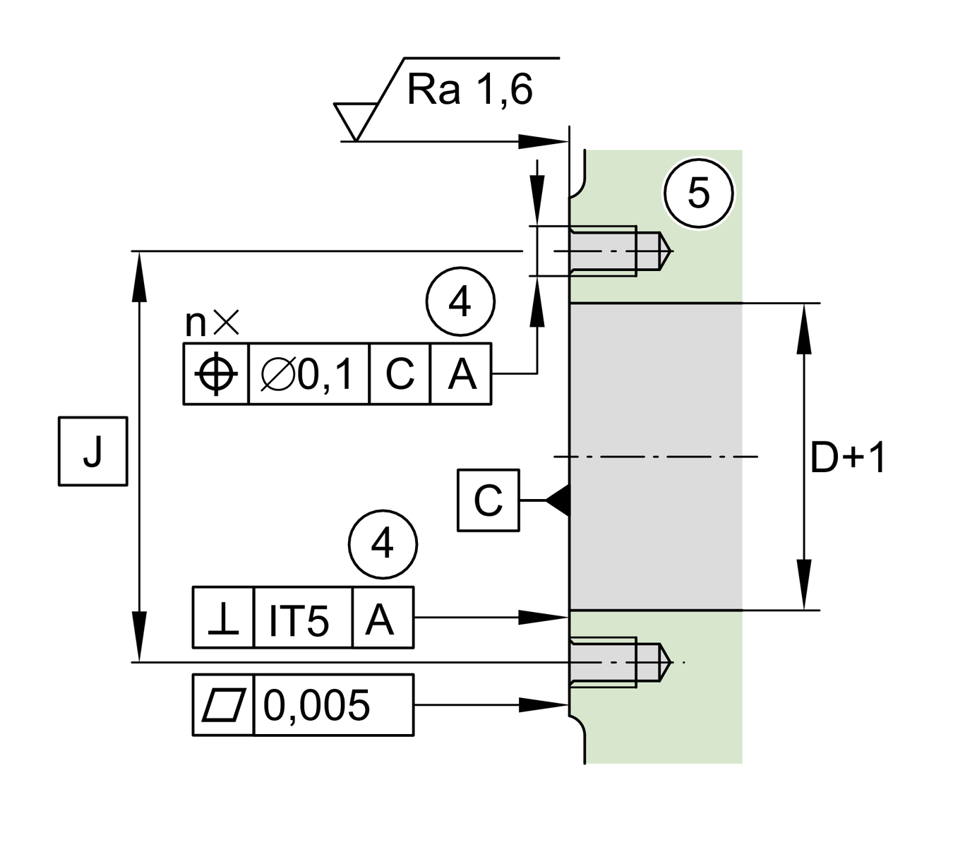
| D | 62 mm | Outside diameter |
0 mm | Outside diameter upper tolerance | |
-0.013 mm | Outside diameter lower tolerance | |
| B | 38 mm | Width |
0 mm | Width upper tolerance | |
-0.25 mm | Width lower tolerance | |
| Ca | 56,000 N | Basic dynamic load rating, axial HL |
| Ca | 29,000 N | Basic dynamic load rating, axial |
| C0a | 165,000 N | Basic static load rating, axial HL |
| C0a | 64,000 N | Basic static load rating, axial |
| Cua | 4,450 N | Fatigue load limit, axial HL |
| Cua | 2,800 N | Fatigue load limit, axial |
| nG Grease | 4,000 1/min | Limiting speed for grease lubrication |
| nϑ | 1,800 1/min | Thermally permissible speed |
| ≈m | 1.03 kg | Weight |
| da min | 40 mm | Minimum diameter shaft shoulder |
| da max | 53 mm | Maximum diameter of shaft shoulder |
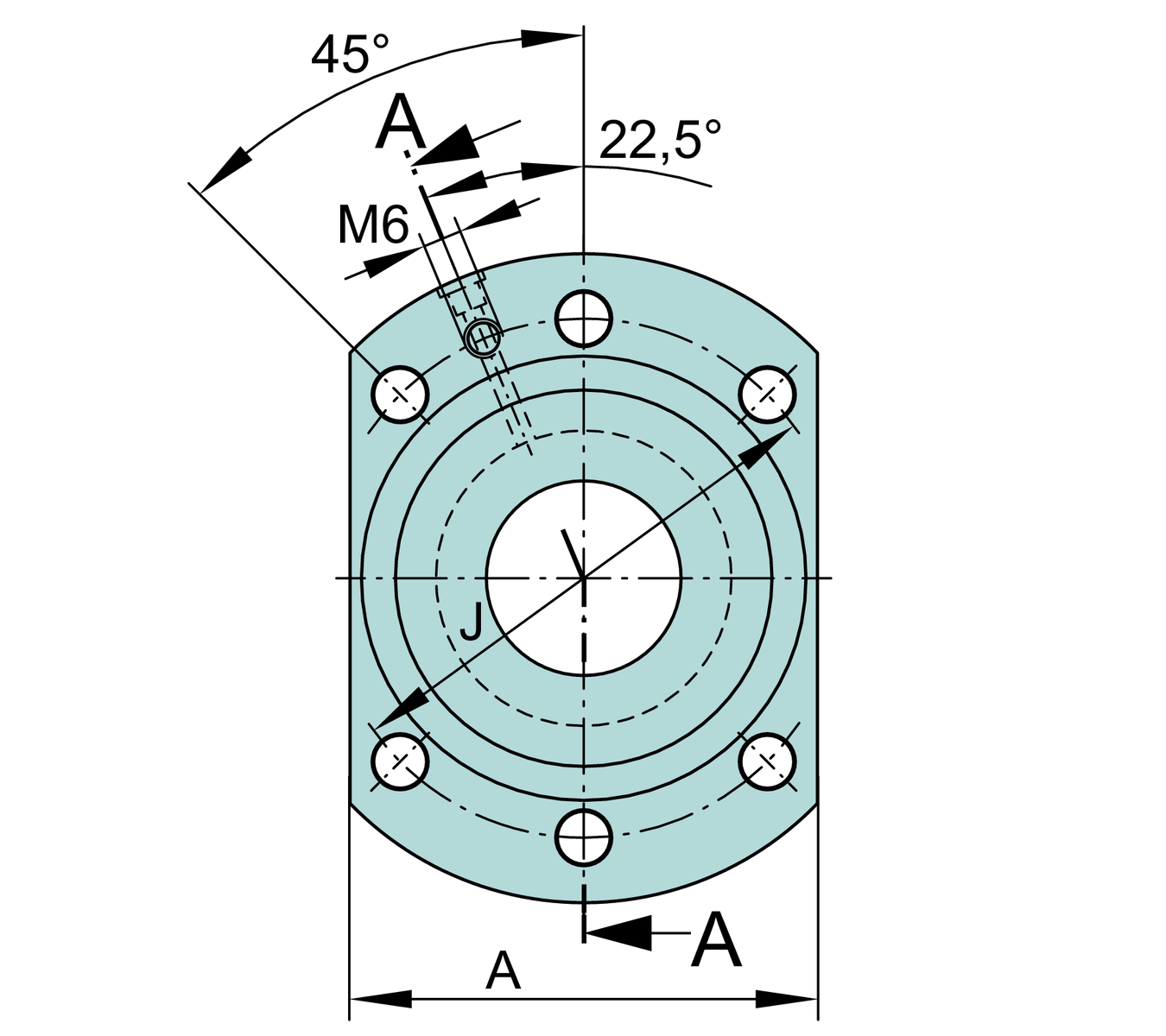
M8 | Fixing scresw DIN EN ISO 4762 10.9 (not included) | |
| n | 6 | Number of screws |
| d1 | 45.5 mm | Rib diameter inner ring |
| D1 | 100 mm | Flange diameter |
| rmin | 0.3 mm | Minimum chamfer dimension |
| r1 min | 0.6 mm | Minimum chamfer dimension 1 |
| B1 | 22 mm | Thickness of flange |
| d2 | 8.8 mm | Fixing boring diameter |
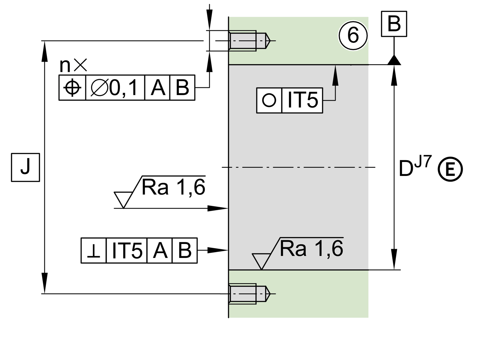
| J | 80 mm | Pitch circle diameter (holes) |
| A | 72 mm | Flange width |
| Tmin | -30 °C | Operating temperature min. |
| Tmax | 120 °C | Operating temperature max. |
| MRL | 0.75 Nm | Bearing friction torque |
| caL | 900 N/µm | Rigidity axial |
| caL | 1,400 N/µm | Rigidity axial (HL) |
| ckL | 500 Nm/mrad | Tilting stiffness |
5 µm | Axial runout | |
| Mm | 1.7 kg*cm2 | Mass moment of inertia |
ZMA30/52 | recommended INA precision locknut for radial locking 1,2 | |
| (3) r | ZM35 | recommended INA precision locknut for radial locking 3 |
| (1), (2) r | AM30 | recommended INA precision locknut for axial locking 1,2 |
| MA | 32 Nm | Tightening torque nut |
| (1), (2) a | 10,350 N | required locknut force axial 1 |
| Sealing | 2RS | Contact lip seals on both sides |