PRODUCTS
- Home
- Giới thiệu sản phẩm
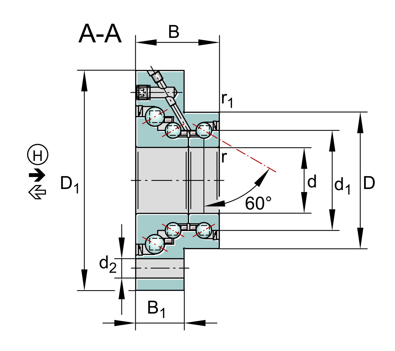
| d | 25 mm | Bore diameter |
0 mm | Bore diameter upper tolerance | |
-0.01 mm | Bore diameter lower tolerance | |
| D | 57 mm | Outside diameter |
0 mm | Outside diameter upper tolerance | |
-0.013 mm | Outside diameter lower tolerance | |
| B | 38 mm | Width |
0 mm | Width upper tolerance | |
-0.25 mm | Width lower tolerance | |
| Ca | 53,000 N | Basic dynamic load rating, axial HL |
| Ca | 27,500 N | Basic dynamic load rating, axial |
| C0a | 144,000 N | Basic static load rating, axial HL |
| C0a | 55,000 N | Basic static load rating, axial |
| Cua | 3,950 N | Fatigue load limit, axial HL |
| Cua | 2,450 N | Fatigue load limit, axial |
| nG Grease | 4,400 1/min | Limiting speed for grease lubrication |
| nϑ | 2,000 1/min | Thermally permissible speed |
| ≈m | 0.907 kg | Weight |
| da min | 32 mm | Minimum diameter shaft shoulder |
| da max | 48 mm | Maximum diameter of shaft shoulder |
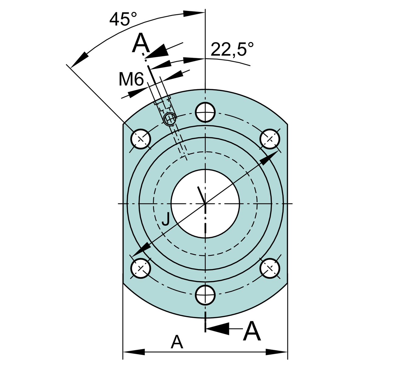
M8 | Fixing scresw DIN EN ISO 4762 10.9 (not included) | |
| n | 6 | Number of screws |
| d1 | 40.5 mm | Rib diameter inner ring |
| D1 | 90 mm | Flange diameter |
| rmin | 0.3 mm | Minimum chamfer dimension |
| r1 min | 0.6 mm | Minimum chamfer dimension 1 |
| B1 | 22 mm | Thickness of flange |
| d2 | 8.8 mm | Fixing boring diameter |
| J | 75 mm | Pitch circle diameter (holes) |
| A | 70 mm | Flange width |
| Tmin | -30 °C | Operating temperature min. |
| Tmax | 120 °C | Operating temperature max. |
| MRL | 0.6 Nm | Bearing friction torque |
| caL | 850 N/µm | Rigidity axial |
| caL | 1,200 N/µm | Rigidity axial (HL) |
| ckL | 370 Nm/mrad | Tilting stiffness |
5 µm | Axial runout | |
| Mm | 1.12 kg*cm2 | Mass moment of inertia |
ZMA25/45 | recommended INA precision locknut for radial locking 1,2 | |
| (3) r | ZM30 | recommended INA precision locknut for radial locking 3 |
| (1), (2) r | AM25 | recommended INA precision locknut for axial locking 1,2 |
| MA | 25 Nm | Tightening torque nut |
| (1), (2) a | 9,670 N | required locknut force axial 1 |
| Sealing | 2RS | Contact lip seals on both sides |