PRODUCTS
- Home
- Giới thiệu sản phẩm
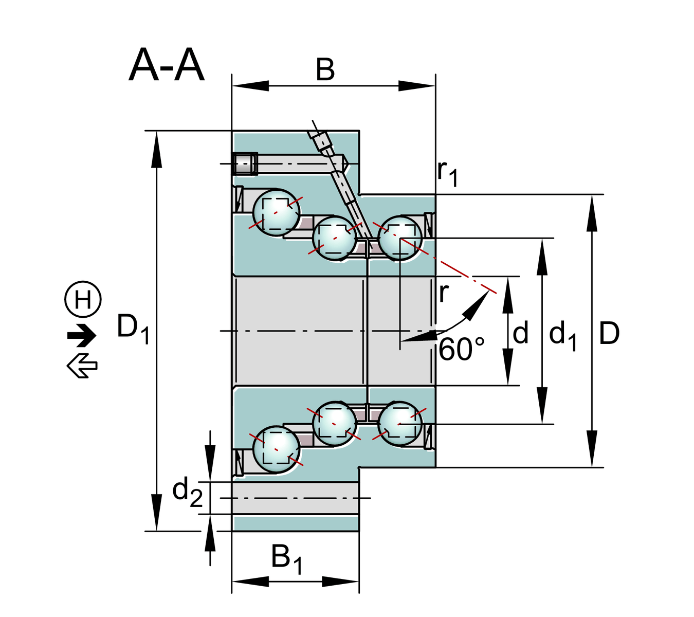
| d | 30 mm | Bore diameter |
0 mm | Bore diameter upper tolerance | |
-0.01 mm | Bore diameter lower tolerance | |
| D | 75 mm | Outside diameter |
0 mm | Outside diameter upper tolerance | |
-0.013 mm | Outside diameter lower tolerance | |
| B | 56 mm | Width |
0 mm | Width upper tolerance | |
-0.25 mm | Width lower tolerance | |
| Ca | 107,000 N | Basic dynamic load rating, axial HL |
| Ca | 59,000 N | Basic dynamic load rating, axial |
| C0a | 255,000 N | Basic static load rating, axial HL |
| C0a | 108,000 N | Basic static load rating, axial |
| Cua | 6,600 N | Fatigue load limit, axial HL |
| Cua | 4,800 N | Fatigue load limit, axial |
| nG Grease | 3,500 1/min | Limiting speed for grease lubrication |
| nϑ | 1,600 1/min | Thermally permissible speed |
| ≈m | 2.087 kg | Weight |
| da min | 47 mm | Minimum diameter shaft shoulder |
| da max | 64 mm | Maximum diameter of shaft shoulder |
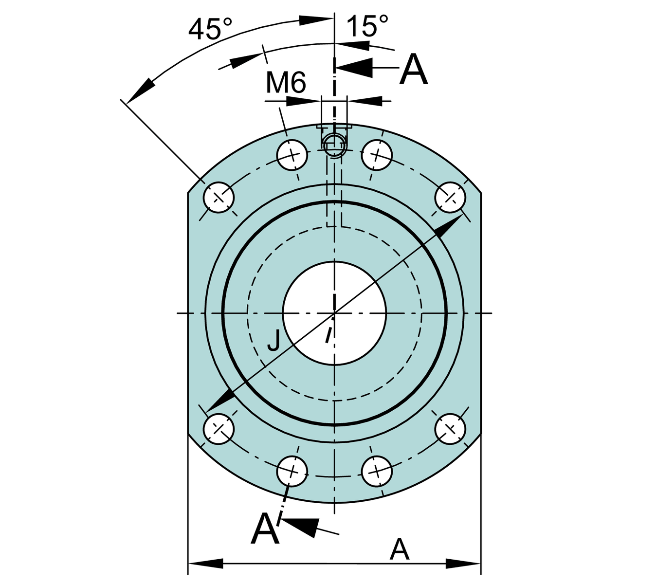
M8 | Fixing scresw DIN EN ISO 4762 10.9 (not included) | |
| n | 8 | Number of screws |
| d1 | 51 mm | Rib diameter inner ring |
| D1 | 110 mm | Flange diameter |
| rmin | 0.3 mm | Minimum chamfer dimension |
| r1 min | 0.6 mm | Minimum chamfer dimension 1 |
| B1 | 35 mm | Thickness of flange |
| d2 | 8.8 mm | Fixing boring diameter |
| J | 95 mm | Pitch circle diameter (holes) |
| A | 85 mm | Flange width |
| Tmin | -30 °C | Operating temperature min. |
| Tmax | 120 °C | Operating temperature max. |
| MRL | 1.5 Nm | Bearing friction torque |
| caL | 1,300 N/µm | Rigidity axial |
| caL | 1,600 N/µm | Rigidity axial (HL) |
| ckL | 650 Nm/mrad | Tilting stiffness |
5 µm | Axial runout | |
| Mm | 3.23 kg*cm2 | Mass moment of inertia |
| (3) r | ZM35 | recommended INA precision locknut for radial locking 3 |
| (1), (2) r | AM30/65 | recommended INA precision locknut for axial locking 1,2 |
| MA | 65 Nm | Tightening torque nut |
| (1), (2) a | 20,500 N | required locknut force axial 1 |
| Sealing | 2RS | Contact lip seals on both sides |