PRODUCTS

  • Home
  • Giới thiệu sản phẩm

INA
BK2520
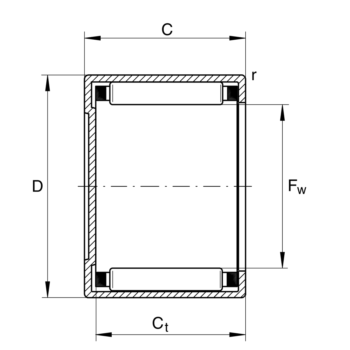
Drawn cup needle roller bearing closed end BK2520
Thêm vào yêu cầu báo giá
Main Dimensions & Performance Data
Fw
25 mm
Under roller diameter
D
32 mm
Outside diameter
C
20 mm
Width, outer ring
Cr
19,900 N
Basic dynamic load rating, radial
C0r
33,000 N
Basic static load rating, radial
Cur
4,300 N
Fatigue load limit, radial
nG Grease
6,100 1/min
Limiting speed for grease lubrication
nG
10,200 1/min
Limiting speed
nϑr
7,400 1/min
Reference speed
≈m
38 g
Weight

Dimensions
rmin
0.8 mm
Minimum chamfer dimension
Ct min
17.3 mm
Minimum width to base of drawn cup with closed end

Temperature range
Tmin
-30 °C
Operating temperature min.
Tmax
140 °C
Operating temperature max.

Additional information
SD25X32X4
Sealing ring
G25X32X4
Sealing ring 2
LR20X25X20,5
Suitable inner rings LR
IR20X25X20-XL
Suitable inner rings IR

Your current product variant
LubricantWithout
Lubrication holeWithout
CoatingWithout
SealingWithout
Thêm vào yêu cầu báo giá