PRODUCTS

  • Home
  • Giới thiệu sản phẩm

INA
BK2518-RS
Drawn cup needle roller bearing closed end BK2518-RS
Thêm vào yêu cầu báo giá
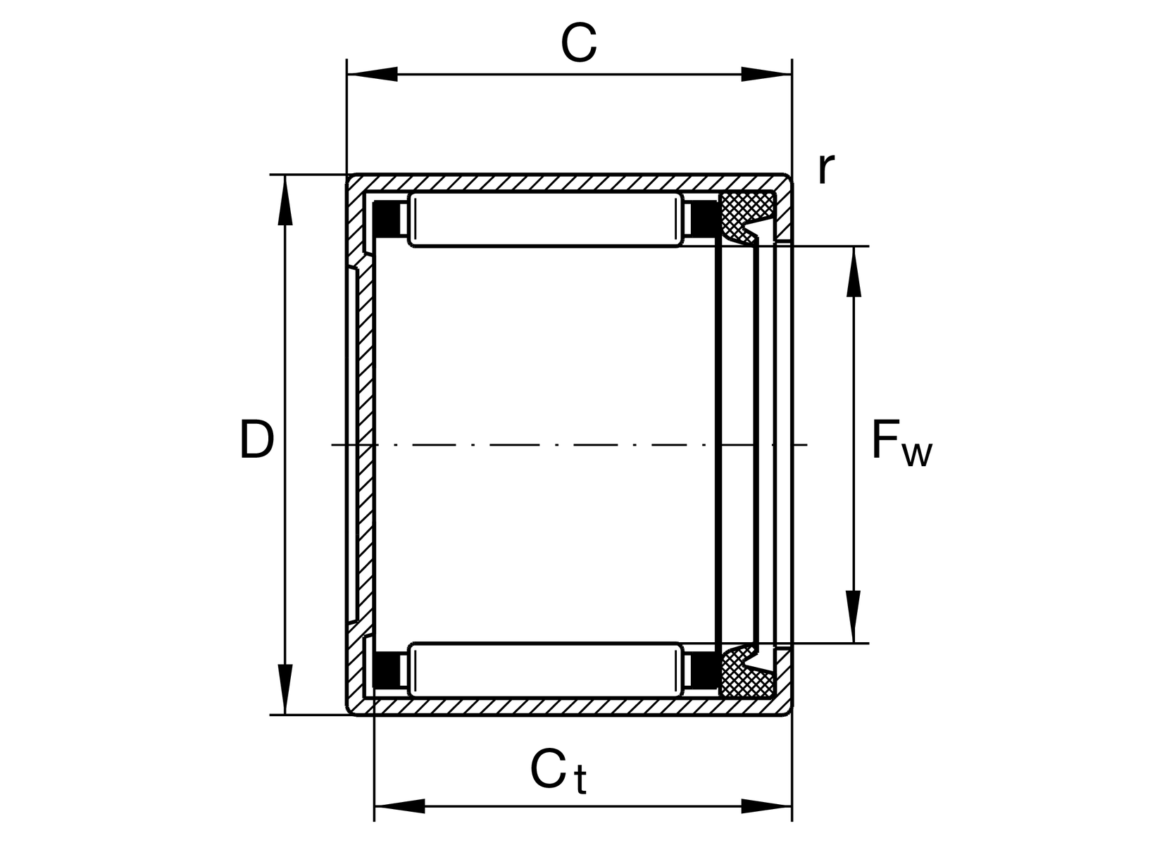
Main Dimensions & Performance Data
Fw
25 mm
Under roller diameter
D
32 mm
Outside diameter
C
18 mm
Width, outer ring
Cr
15,600 N
Basic dynamic load rating, radial
C0r
24,000 N
Basic static load rating, radial
Cur
3,200 N
Fatigue load limit, radial
nG Grease
6,100 1/min
Limiting speed for grease lubrication
nG
6,100 1/min
Limiting speed
≈m
34 g
Weight

Dimensions
rmin
0.8 mm
Minimum chamfer dimension
Ct min
15.3 mm
Minimum width to base of drawn cup with closed end

Temperature range
Tmin
-20 °C
Operating temperature min.
Tmax
100 °C
Operating temperature max.

Additional information
LR20X25X20,5
Suitable inner rings LR
IR20X25X20,5-XL
Suitable inner rings IR

Your current product variant
LubricantL271Grease (L271/customer specific)
Lubrication holeWithout
CoatingWithout
SealingRSContact seal on one sides
Thêm vào yêu cầu báo giá