PRODUCTS

  • Home
  • Giới thiệu sản phẩm

INA
DRS75185
Seal carrier Assy DRS75185
Thêm vào yêu cầu báo giá
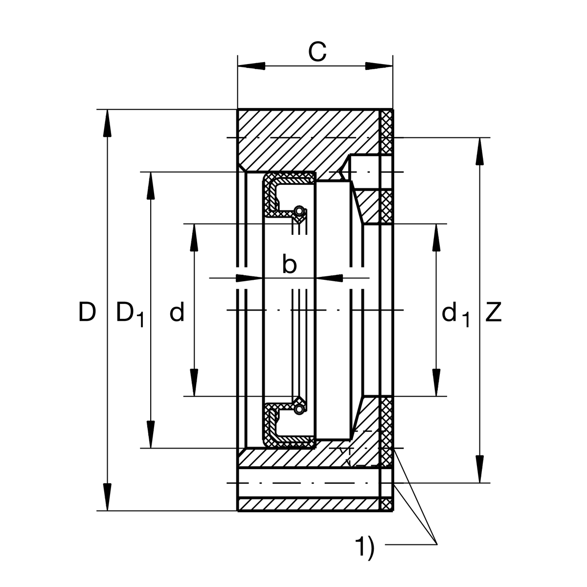
Main Dimensions & Performance Data
d1
135 mm
Inner diameter centering
D
185 mm
Outside diameter
C
36 mm
Width wave carrier
≈m
2.42 kg
Weight

Dimensions
Z
172.5 mm
Pitch circle diameter (holes)
d
135 mm
Inner diameter centering seal lip
D1
160 mm
Outside diameter seal
b
15 mm
Width seal
M5X50
Screw size
1)
4
Number of screws

Additional information
ZARF75185(-L)-TV
Bearing designation
Thêm vào yêu cầu báo giá