PRODUCTS

  • Home
  • Giới thiệu sản phẩm

INA
DRS70160
Seal carrier Assy DRS70160
Thêm vào yêu cầu báo giá
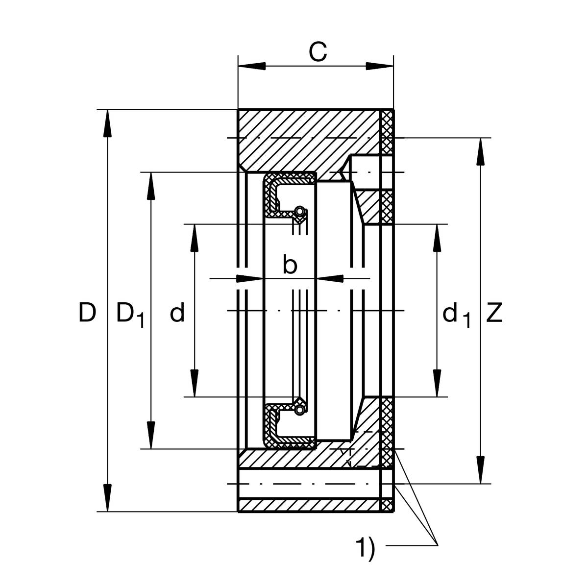
Main Dimensions & Performance Data
d1
115 mm
Inner diameter centering
D
160 mm
Outside diameter
C
30 mm
Width wave carrier
≈m
1.776 kg
Weight

Dimensions
Z
147.5 mm
Pitch circle diameter (holes)
d
115 mm
Inner diameter centering seal lip
D1
135 mm
Outside diameter seal
b
13 mm
Width seal
M5X40
Screw size
1)
4
Number of screws

Additional information
ZARF70160(-L)-TV
Bearing designation
Thêm vào yêu cầu báo giá