PRODUCTS

  • Home
  • Giới thiệu sản phẩm

INA
DRS90210
Seal carrier Assy DRS90210
Thêm vào yêu cầu báo giá
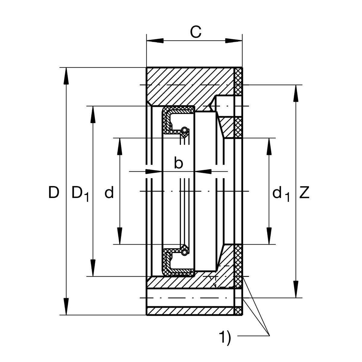
Main Dimensions & Performance Data
d1
160 mm
Inner diameter centering
D
210 mm
Outside diameter
C
38 mm
Width wave carrier
≈m
3.045 kg
Weight

Dimensions
Z
194 mm
Pitch circle diameter (holes)
d
160 mm
Inner diameter centering seal lip
D1
180 mm
Outside diameter seal
b
15 mm
Width seal
M5X50
Screw size
1)
4
Number of screws

Additional information
ZARF90210(-L)-TV
Bearing designation
Thêm vào yêu cầu báo giá