PRODUCTS

  • Home
  • Giới thiệu sản phẩm

INA
CSCA100
Deep groove ball bearing CSCA100
Thêm vào yêu cầu báo giá
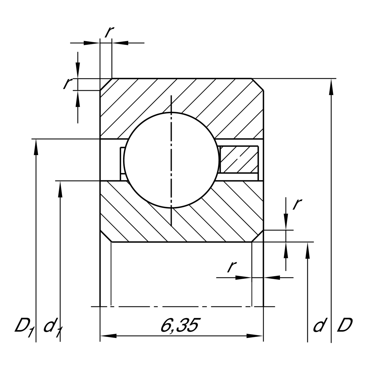
Main Dimensions & Performance Data
d
254 mm
Bore diameter
D
266.7 mm
Outside diameter
B
6.35 mm
Width
Cr
5,800 N
Basic dynamic load rating, radial
C0r
12,800 N
Basic static load rating, radial
nG
2,150 1/min
Limiting speed
≈m
230 g
Weight

Dimensions
rmin
0.6 mm
Minimum chamfer dimension
d1
258.7 mm
Shoulder diameter inner ring
D1
262 mm
Shoulder diameter outer ring

Temperature range
Tmin
-30 °C
Operating temperature min.
Tmax
120 °C
Operating temperature max.

Your current product variant
Logistical codeHLE-
SealingWithoutNot sealed
CageYHbrass sheet metal
Tolerance classPL1Class PL1, Normal
Radial internal clearancePL1Class PL1, Normal
LubricantWithoutBearing not greased
Thêm vào yêu cầu báo giá