PRODUCTS

  • Home
  • Giới thiệu sản phẩm

INA
CSCA090
Deep groove ball bearing CSCA090
Thêm vào yêu cầu báo giá
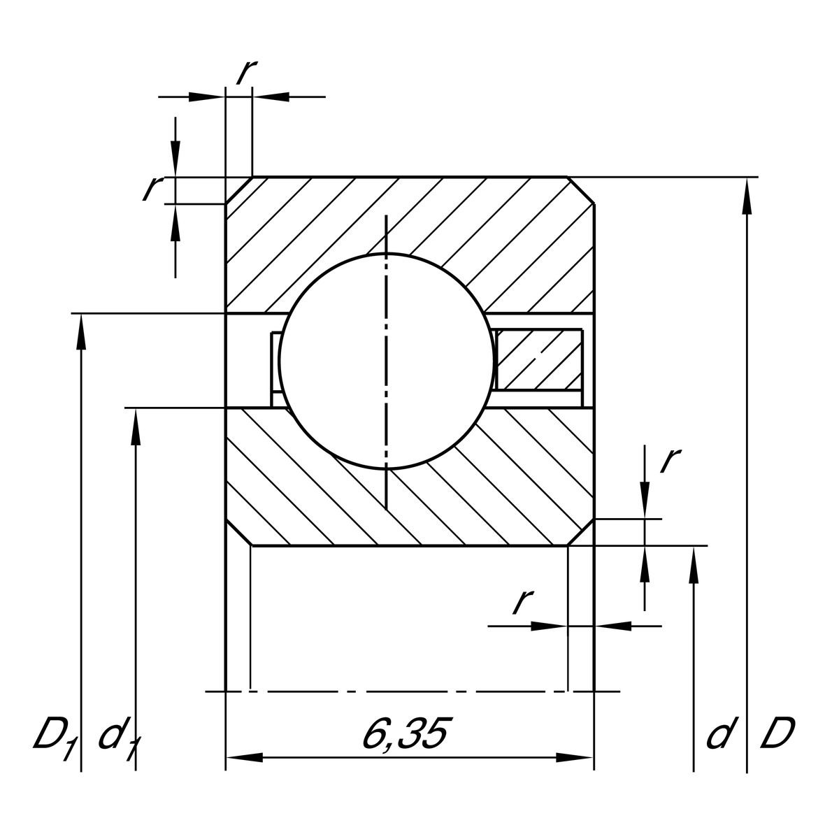
Main Dimensions & Performance Data
d
228.6 mm
Bore diameter
D
241.3 mm
Outside diameter
B
6.35 mm
Width
Cr
5,600 N
Basic dynamic load rating, radial
C0r
11,500 N
Basic static load rating, radial
nG
2,390 1/min
Limiting speed
≈m
200 g
Weight

Dimensions
rmin
0.6 mm
Minimum chamfer dimension
d1
233.3 mm
Shoulder diameter inner ring
D1
236.6 mm
Shoulder diameter outer ring

Temperature range
Tmin
-30 °C
Operating temperature min.
Tmax
120 °C
Operating temperature max.

Your current product variant
Logistical codeHLE-
SealingWithoutNot sealed
CageYHbrass sheet metal
Tolerance classPL1Class PL1, Normal
Radial internal clearancePL1Class PL1, Normal
LubricantWithoutBearing not greased
Thêm vào yêu cầu báo giá