PRODUCTS

  • Home
  • Giới thiệu sản phẩm

INA
TTUE50-XL
Take-up housing unit TTUE50-XL
Thêm vào yêu cầu báo giá
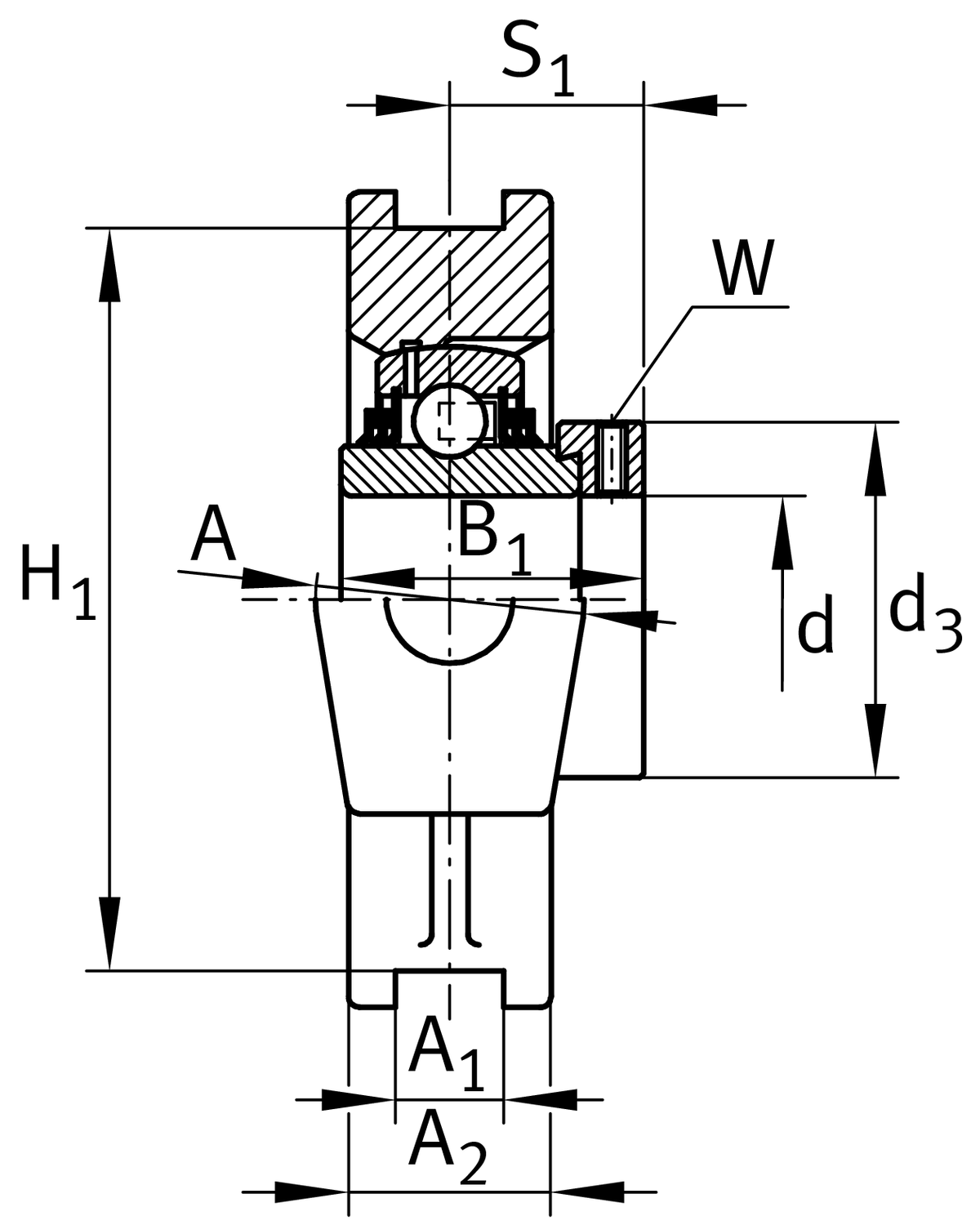
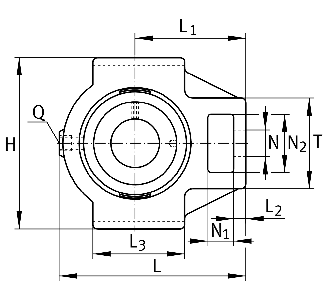
Main Dimensions & Performance Data
d
50 mm
Bore diameter
H
115 mm
Height
L
148 mm
Length total
B1
62.8 mm
Locking collar total width
≈m
2.59 kg
Weight

Mounting dimensions
A1
16 mm
Width guidance groove
H13
Width guidance groove clearance
H1
102 mm
Distance guidance grooves
0.15 mm
Upper distance guidance groove tolerance
-0.15 mm
Lower distance guidance groove tolerance
N
29 mm
Fixing bore

Dimensions
L1
90 mm
Distance shaft axis
L2
16 mm
Length fixed link
L3
85 mm
Length guidance groove
A
50 mm
Width housing fixing side
N1
20 mm
Width recess
N2
49 mm
Height recess
S1
38.2 mm
Distance of raceway to locking collar
T
83 mm
Height housing fixing side
Q
M6
Connection thread for lubrication
A2
35 mm
Width housing

Additional information
TUE10
Housing
GE50-XL-KTT-B
Bearing designation

Temperature range
Tmin
-20 °C
Operating temperature min.
Tmax
120 °C
Operating temperature max.

Your current product variant
MaterialGGGrey cast iron
Thêm vào yêu cầu báo giá