PRODUCTS

  • Home
  • Giới thiệu sản phẩm

INA
TTUE55-XL
Take-up housing unit TTUE55-XL
Thêm vào yêu cầu báo giá
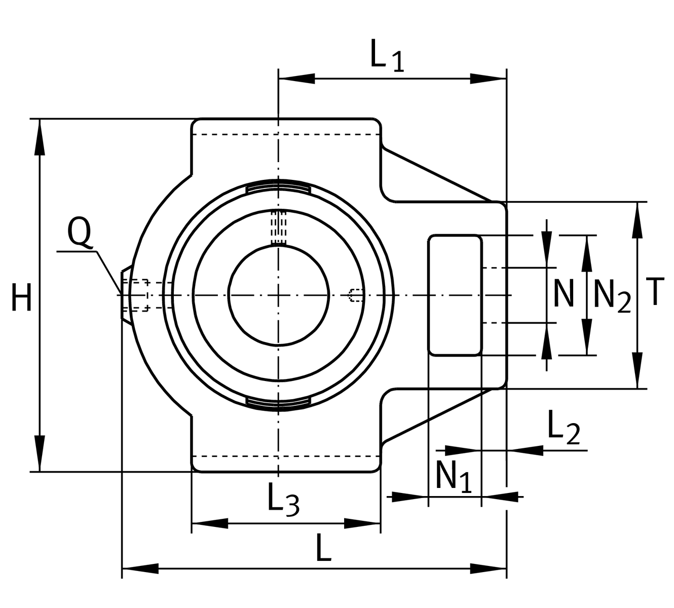
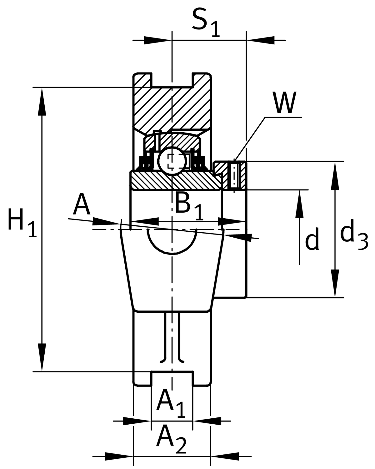
Main Dimensions & Performance Data
d
55 mm
Bore diameter
H
145 mm
Height
L
169 mm
Length total
B1
71.4 mm
Locking collar total width
≈m
4.32 kg
Weight

Mounting dimensions
A1
22 mm
Width guidance groove
H13
Width guidance groove clearance
H1
130 mm
Distance guidance grooves
0.15 mm
Upper distance guidance groove tolerance
-0.15 mm
Lower distance guidance groove tolerance
N
35 mm
Fixing bore

Dimensions
L1
104 mm
Distance shaft axis
L2
17 mm
Length fixed link
L3
95 mm
Length guidance groove
A
60 mm
Width housing fixing side
N1
26 mm
Width recess
N2
63.5 mm
Height recess
S1
43.6 mm
Distance of raceway to locking collar
T
102 mm
Height housing fixing side
Q
M6
Connection thread for lubrication
A2
42 mm
Width housing

Additional information
TUE11
Housing
GE55-XL-KTT-B
Bearing designation

Temperature range
Tmin
-20 °C
Operating temperature min.
Tmax
120 °C
Operating temperature max.

Your current product variant
MaterialGGGrey cast iron
Thêm vào yêu cầu báo giá