PRODUCTS

  • Home
  • Giới thiệu sản phẩm

INA
STO40
Yoke type track roller STO40
Thêm vào yêu cầu báo giá
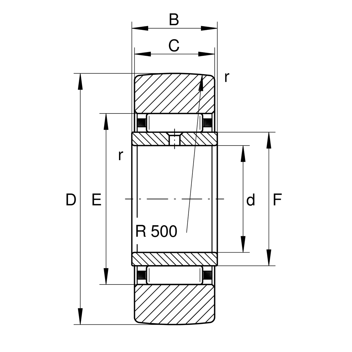
Main Dimensions & Performance Data
d
40 mm
Bore diameter
D
80 mm
Outside diameter
C
19.8 mm
Width, outer ring
Cr w
23,700 N
Basic dynamic load rating, radial
C0r w
40,000 N
Basic static load rating, radial
Cur w
6,000 N
Fatigue load limit, radial
nD G
850 1/min
Speed on permanent grease lubrication
≈m
0.545 kg
Weight

Dimensions
B
20 mm
Width, inner ring
E
58 mm
Raceway diameter outer ring
rmin
1 mm
Minimum chamfer dimension
F
50 mm
Raceway diameter inner ring
R
500 mm
Radius of outer ring outside profile

Your current product variant
SealingWithout
Outer Ring profileR500R500
Relubrication featureIRVia inner ring lubrication hole
Thêm vào yêu cầu báo giá