PRODUCTS

  • Home
  • Giới thiệu sản phẩm

INA
STO35
Yoke type track roller STO35
Thêm vào yêu cầu báo giá
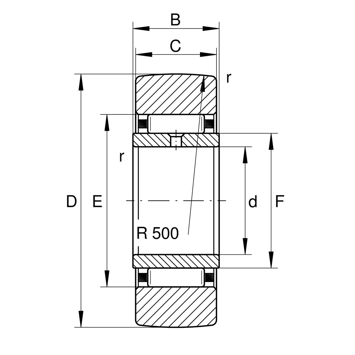
Main Dimensions & Performance Data
d
35 mm
Bore diameter
D
72 mm
Outside diameter
C
19.8 mm
Width, outer ring
Cr w
25,000 N
Basic dynamic load rating, radial
C0r w
41,000 N
Basic static load rating, radial
Cur w
5,500 N
Fatigue load limit, radial
nD G
1,100 1/min
Speed on permanent grease lubrication
≈m
438.76 g
Weight

Dimensions
B
20 mm
Width, inner ring
E
50 mm
Raceway diameter outer ring
rmin
0.6 mm
Minimum chamfer dimension
F
42 mm
Raceway diameter inner ring
R
500 mm
Radius of outer ring outside profile

Your current product variant
SealingWithout
Outer Ring profileR500R500
Relubrication featureIRVia inner ring lubrication hole
Thêm vào yêu cầu báo giá