PRODUCTS

  • Home
  • Giới thiệu sản phẩm

INA
81256-M
Axial cylindrical roller bearing 81256-M
Thêm vào yêu cầu báo giá
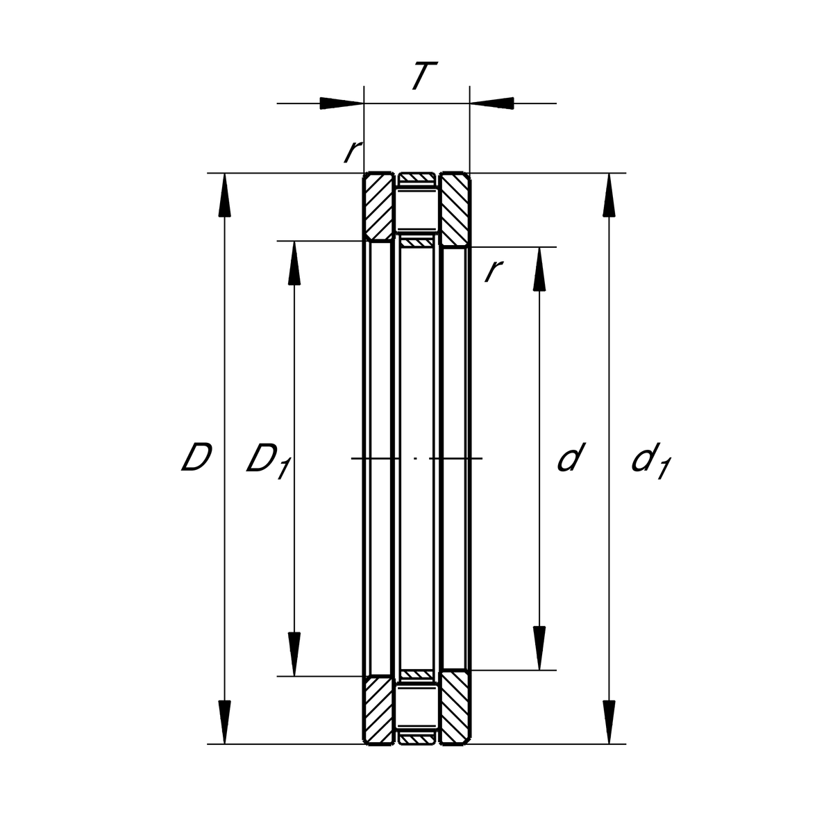
Main Dimensions & Performance Data
d
280 mm
Bore diameter
T
80 mm
Height
Ca
1,470,000 N
Basic dynamic load rating, axial
C0a
5,600,000 N
Basic static load rating, axial
Cua
495,000 N
Fatigue load limit, axial
nG
870 1/min
Limiting speed
nϑr
295 1/min
Reference speed
D
380 mm
Outside diameter
≈m
30.13 kg
Weight

Mounting dimensions
da min
373 mm
Minimum diameter shaft shoulder
Da max
300 mm
Maximum diameter of housing shoulder
ra max
2.1 mm
Maximum recess radius

Dimensions
D1
284 mm
Bore diameter housing washer
d1
375 mm
Rip diameter shaft washer
rmin
2.1 mm
Minimum chamfer dimension

Temperature range
Tmin
-30 °C
Operating temperature min.
Tmax
120 °C
Operating temperature max.

Additional information
K81256-M
Axial roller and cage assembly
GS81256
Housing Washer
WS81256
Shaft washer

Your current product variant
CageMBrass Cage
Thêm vào yêu cầu báo giá