PRODUCTS

  • Home
  • Giới thiệu sản phẩm

INA
81260-M
Axial cylindrical roller bearing 81260-M
Thêm vào yêu cầu báo giá
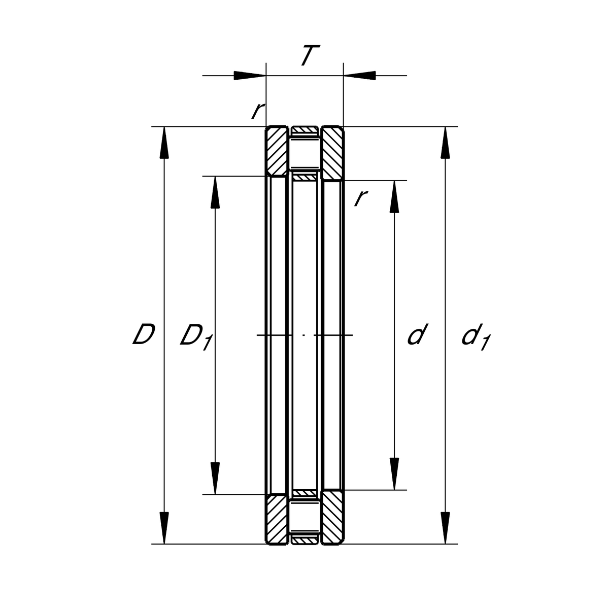
Main Dimensions & Performance Data
d
300 mm
Bore diameter
T
95 mm
Height
Ca
1,940,000 N
Basic dynamic load rating, axial
C0a
7,300,000 N
Basic static load rating, axial
Cua
630,000 N
Fatigue load limit, axial
nG
800 1/min
Limiting speed
nϑr
265 1/min
Reference speed
D
420 mm
Outside diameter
≈m
44.1 kg
Weight

Mounting dimensions
da min
413 mm
Minimum diameter shaft shoulder
Da max
328 mm
Maximum diameter of housing shoulder
ra max
3 mm
Maximum recess radius

Dimensions
D1
304 mm
Bore diameter housing washer
d1
415 mm
Rip diameter shaft washer
rmin
3 mm
Minimum chamfer dimension

Temperature range
Tmin
-30 °C
Operating temperature min.
Tmax
120 °C
Operating temperature max.

Additional information
K81260-M
Axial roller and cage assembly
GS81260
Housing Washer
WS81260
Shaft washer
LS75100
Track Washer

Your current product variant
CageMBrass Cage
Thêm vào yêu cầu báo giá