PRODUCTS

  • Home
  • Giới thiệu sản phẩm

Schaeffler
EDV606X015
Sealing ring EDV606X015
Thêm vào yêu cầu báo giá
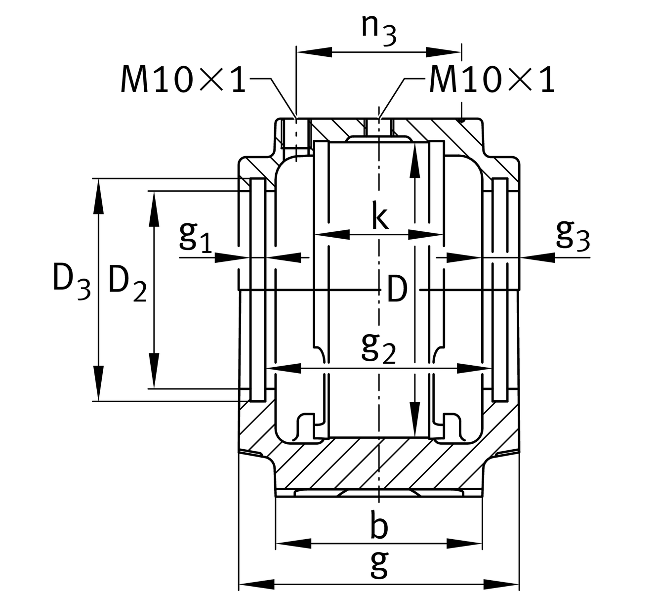
Main Dimensions & Performance Data
d
23.813 mm
Shaft diameter
d2
23.8125 mm
Sealing shaft diameter
D3
54.5 mm
Outside diamater
D2
46.5 mm
Diameter Sealingseat
Thêm vào yêu cầu báo giá