PRODUCTS

  • Home
  • Giới thiệu sản phẩm

Schaeffler
EDV605X012
Sealing ring EDV605X012
Thêm vào yêu cầu báo giá
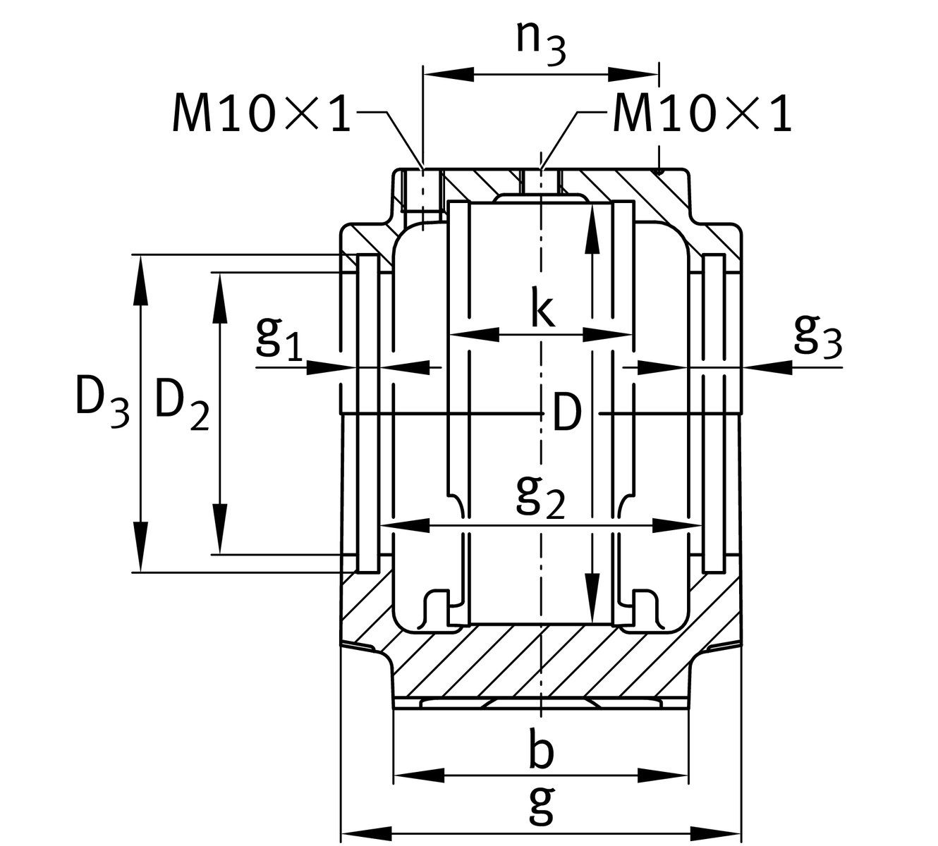
Main Dimensions & Performance Data
d
19.05 mm
Shaft diameter
d2
19.05 mm
Sealing shaft diameter
D3
44.5 mm
Outside diamater
D2
36.5 mm
Diameter Sealingseat
Thêm vào yêu cầu báo giá