PRODUCTS
- Home
- Giới thiệu sản phẩm
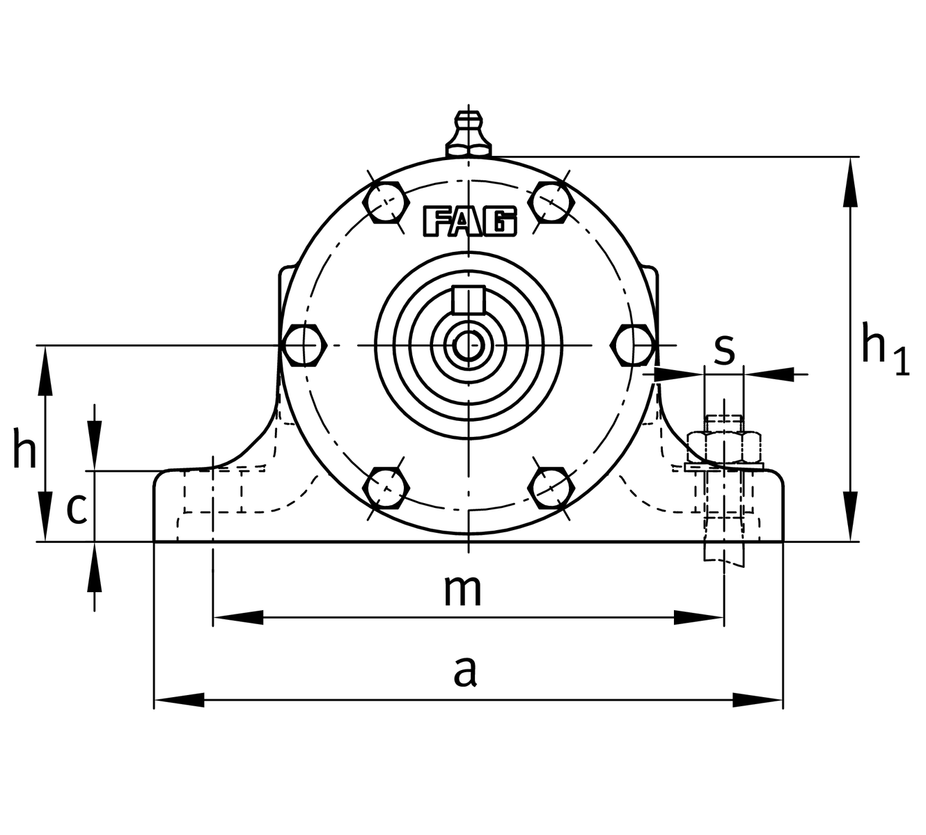
| d | 60 mm | Shaft diameter |
| a | 260 mm | Length base |
| h1 | 162 mm | Height |
| g2 | 457 mm | Total width with cover |
| ≈m | 51.2 kg | Weight |
| B | 31 mm | width |
| b | 70 mm | width base |
| c | 25 mm | heigth base |
| D | 130 mm | outside diameter bearing |
| d2 | 70 mm | shaft diameter shoulder |
| d4 | 48 mm | Shaft dieameter outside |
| e | 385 mm | locking collar width |
| h | 80 mm | center heigth |
| m | 210 mm | distance fixing bore |
| n | 340 mm | bore distance width |
| s | M16 | size of fixing screws |
| w1 | 701 mm | length shaft total |
| w3 | 110 mm | length shaft tap |
| w4 | 183.5 mm | lenght shaft end |
| w5 | 334 mm | length shaft shoulder |
6312-C3 | bearing designation | |
6312-C3 | reference bearing designation | |
VR312-A | housing |