PRODUCTS

  • Home
  • Giới thiệu sản phẩm

FAG
VRE312-B
Plummer block housing unit VRE312-B
Thêm vào yêu cầu báo giá
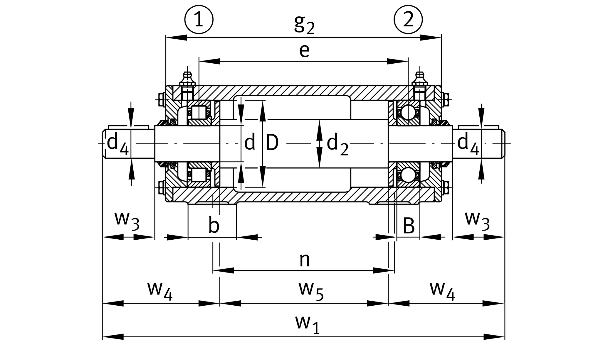
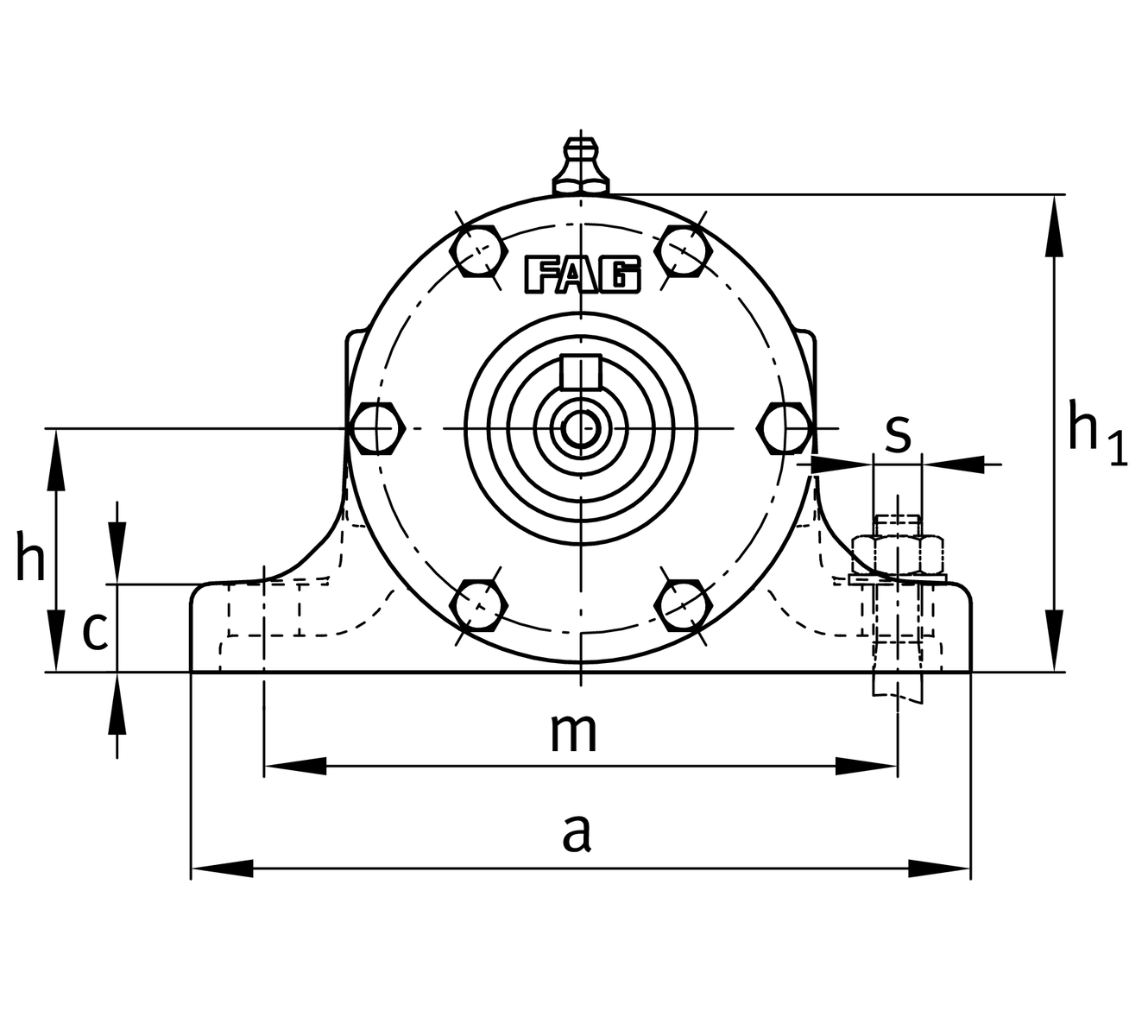
Main Dimensions & Performance Data
d
60 mm
Shaft diameter
a
260 mm
Length base
h1
162 mm
Height
g2
457 mm
Total width with cover
≈m
51.4 kg
Weight

Dimensions
B
31 mm
width
b
70 mm
width base
c
25 mm
heigth base
D
130 mm
outside diameter bearing
d2
70 mm
shaft diameter shoulder
d4
48 mm
Shaft dieameter outside
e
386 mm
locking collar width
h
80 mm
center heigth
m
210 mm
distance fixing bore
n
340 mm
bore distance width
s
M16
size of fixing screws
w1
701 mm
length shaft total
w3
110 mm
length shaft tap
w4
183.5 mm
lenght shaft end
w5
334 mm
length shaft shoulder

Additional information
NJ312-E-TVP2
bearing designation
6312-C3
reference bearing designation
VR312-A
housing
Thêm vào yêu cầu báo giá