PRODUCTS

  • Home
  • Giới thiệu sản phẩm

INA
DRS2590
Seal carrier Assy DRS2590
Thêm vào yêu cầu báo giá
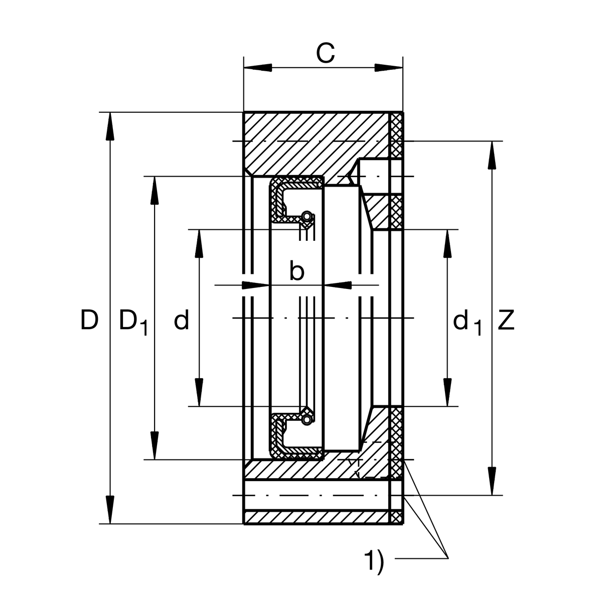
Main Dimensions & Performance Data
d1
62 mm
Inner diameter centering
D
90 mm
Outside diameter
C
22 mm
Width wave carrier
≈m
0.385 kg
Weight

Dimensions
Z
81 mm
Pitch circle diameter (holes)
d
62 mm
Inner diameter centering seal lip
D1
75 mm
Outside diameter seal
b
10 mm
Width seal
M3X30
Screw size
1)
4
Number of screws

Additional information
ZARF2590(-L)-TV
Bearing designation
Thêm vào yêu cầu báo giá