PRODUCTS

  • Home
  • Giới thiệu sản phẩm

INA
DRS2575
Seal carrier Assy DRS2575
Thêm vào yêu cầu báo giá
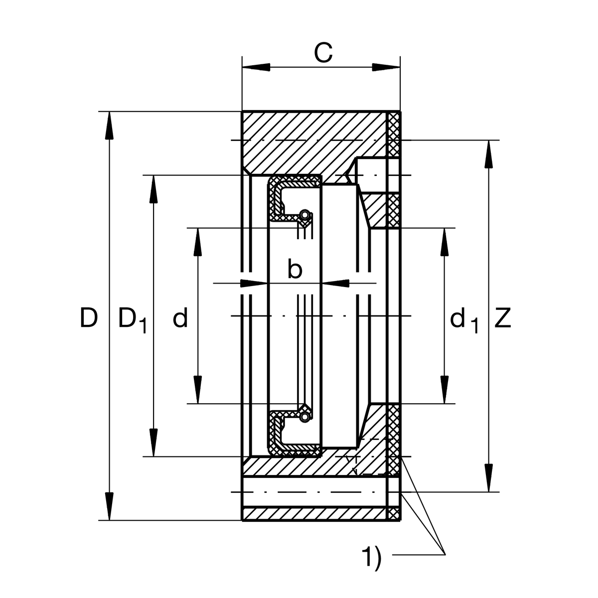
Main Dimensions & Performance Data
d1
47 mm
Inner diameter centering
D
75 mm
Outside diameter
C
17 mm
Width wave carrier
≈m
0.224 kg
Weight

Dimensions
Z
67.4 mm
Pitch circle diameter (holes)
d
47 mm
Inner diameter centering seal lip
D1
62 mm
Outside diameter seal
b
6 mm
Width seal
M3X25
Screw size
1)
4
Number of screws

Additional information
ZARF2575(-L)-TV
Bearing designation
Thêm vào yêu cầu báo giá