PRODUCTS

  • Home
  • Giới thiệu sản phẩm

INA
VI160420-N
Slewing ring, Four Point contact bearing, internal gear teeth VI160420-N
Thêm vào yêu cầu báo giá
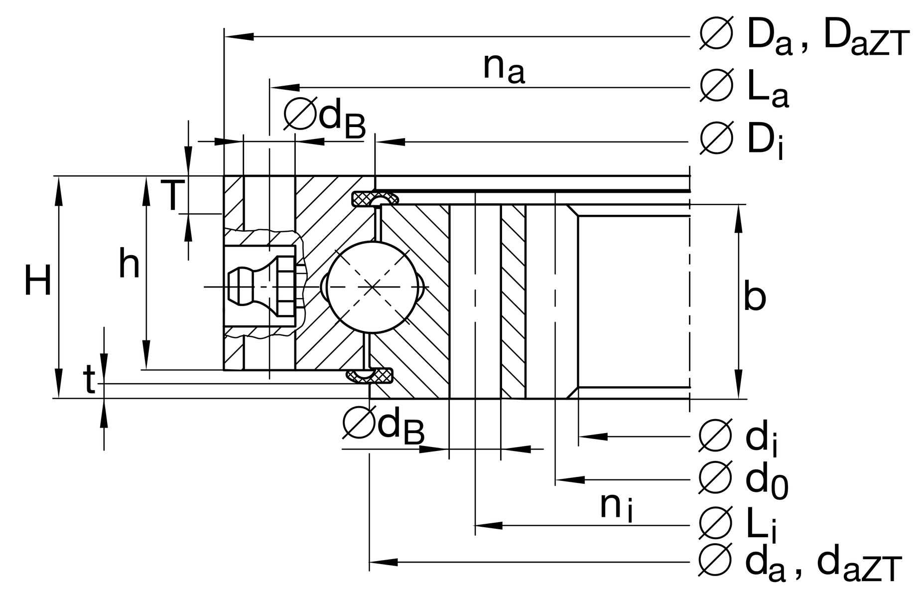
Main Dimensions & Performance Data
d1
332 mm
Bore Diameter
H
39 mm
Height
Da
486 mm
Outside Diameter
ha
34 mm
Width outer ring
hi
34 mm
Width inner ring
0.04 mm
Normal radial clearance min.
0.16 mm
Normal radial clearance max.
0.07 mm
Normal axial clearance min.
0.26 mm
Normal axial clearance max.
≈m
23 kg
Weight

Dimensions
Di
419 mm
Inner diameter outer ring
La
462 mm
Pitchcircle diameter fixing holes outer ring
na
16
Number of fixing holes in outer ring
dB
14 mm
Fixing bore
da
421 mm
Outside diameter inner ring
Li
378 mm
Pitchcircle diameter fixing holes inner ring
ni
16
Number of fixing holes in inner ring
Fr zul
66,100 N
Max. radial load fixing screws (friction locking)
m
4 mm
Modul of gearing
z
85
Number of teeth
d0
340 mm
Pitch circle diameter gearing
b
34 mm
Width gearing
Fz norm
12,300 N
Max. tooth force root fatigue strenght (at a shock factor of 1,2)
Fz max
17,800 N
Max. tooth force against tooth fracture (at a shock factor of 1,35)

Temperature range
Tmin
-25 °C
Operating temperature min.
Tmax
80 °C
Operating temperature max.

Calculation factors
Ca
167,000 N
Basic dynamic load rating, axial
C0a
850,000 N
Basic static load rating, axial
Cr
151,000 N
Basic dynamic load rating, radial
C0r
390,000 N
Basic static load rating, radial

Your current product variant
GearingNNormalized gear teeth on bearing ring
Thêm vào yêu cầu báo giá