PRODUCTS
- Home
- Giới thiệu sản phẩm
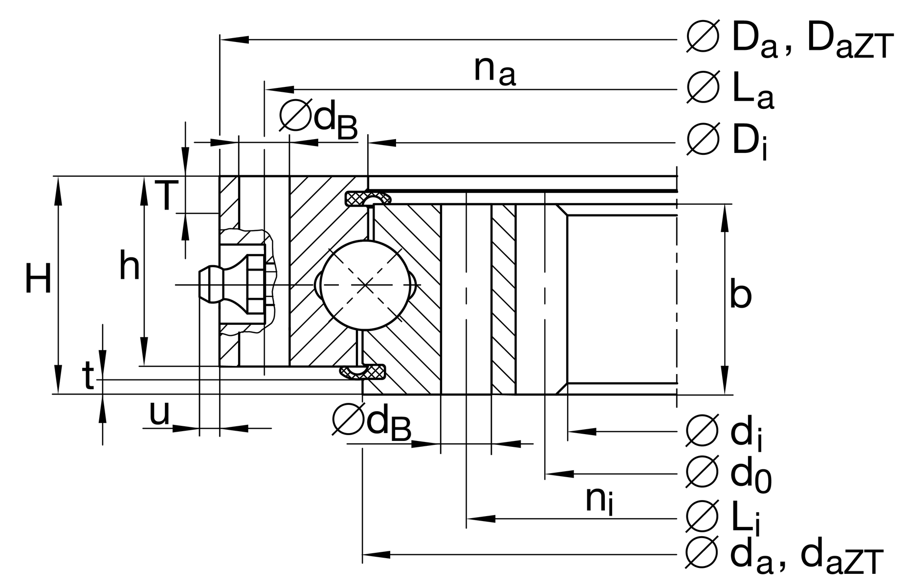
| d1 | 216 mm | Bore Diameter |
| daZT | 287 mm | Diameter centring inner ring |
-IT8 | Diameter centring inner ring tolerance | |
| T | 2.5 mm | Length centering inner ring |
| H | 39 mm | Height |
| Da | 340 mm | Outside Diameter |
| Da ZT | 338 mm | Diameter centring outer ring |
-IT8 | Diameter centring outer ring tolerance | |
| T | 6 mm | Length centering outer ring |
| ha | 34 mm | Width outer ring |
| hi | 34 mm | Width inner ring |
0.04 mm | Normal radial clearance min. | |
0.16 mm | Normal radial clearance max. | |
0.07 mm | Normal axial clearance min. | |
0.26 mm | Normal axial clearance max. | |
| ≈m | 12 kg | Weight |
| Di | 287 mm | Inner diameter outer ring |
| La | 324 mm | Pitchcircle diameter fixing holes outer ring |
| na | 20 | Number of fixing holes in outer ring |
| dB | 9 mm | Fixing bore |
| da | 289 mm | Outside diameter inner ring |
| Li | 252 mm | Pitchcircle diameter fixing holes inner ring |
| ni | 20 | Number of fixing holes in inner ring |
| Fr zul | 78,000 N | Max. radial load fixing screws (friction locking) |
| m | 4 mm | Modul of gearing |
| z | 56 | Number of teeth |
| d0 | 224 mm | Pitch circle diameter gearing |
| b | 34 mm | Width gearing |
| u | 9.5 mm | Protrusion lubrication nipple |
| Fz norm | 12,300 N | Max. tooth force root fatigue strenght (at a shock factor of 1,2) |
| Fz max | 17,800 N | Max. tooth force against tooth fracture (at a shock factor of 1,35) |
| Tmin | -25 °C | Operating temperature min. |
| Tmax | 80 °C | Operating temperature max. |
| Ca | 134,000 N | Basic dynamic load rating, axial |
| C0a | 570,000 N | Basic static load rating, axial |
| Cr | 122,000 N | Basic dynamic load rating, radial |
| C0r | 260,000 N | Basic static load rating, radial |
| Centering | ZT | Centering on inner and outer ring |
| Gearing | N | Normalized gear teeth on bearing ring |