PRODUCTS

  • Home
  • Giới thiệu sản phẩm

FAG
SAFD516X0211U
Plummer block housings, split, SAF SAFD516X0211U
Thêm vào yêu cầu báo giá
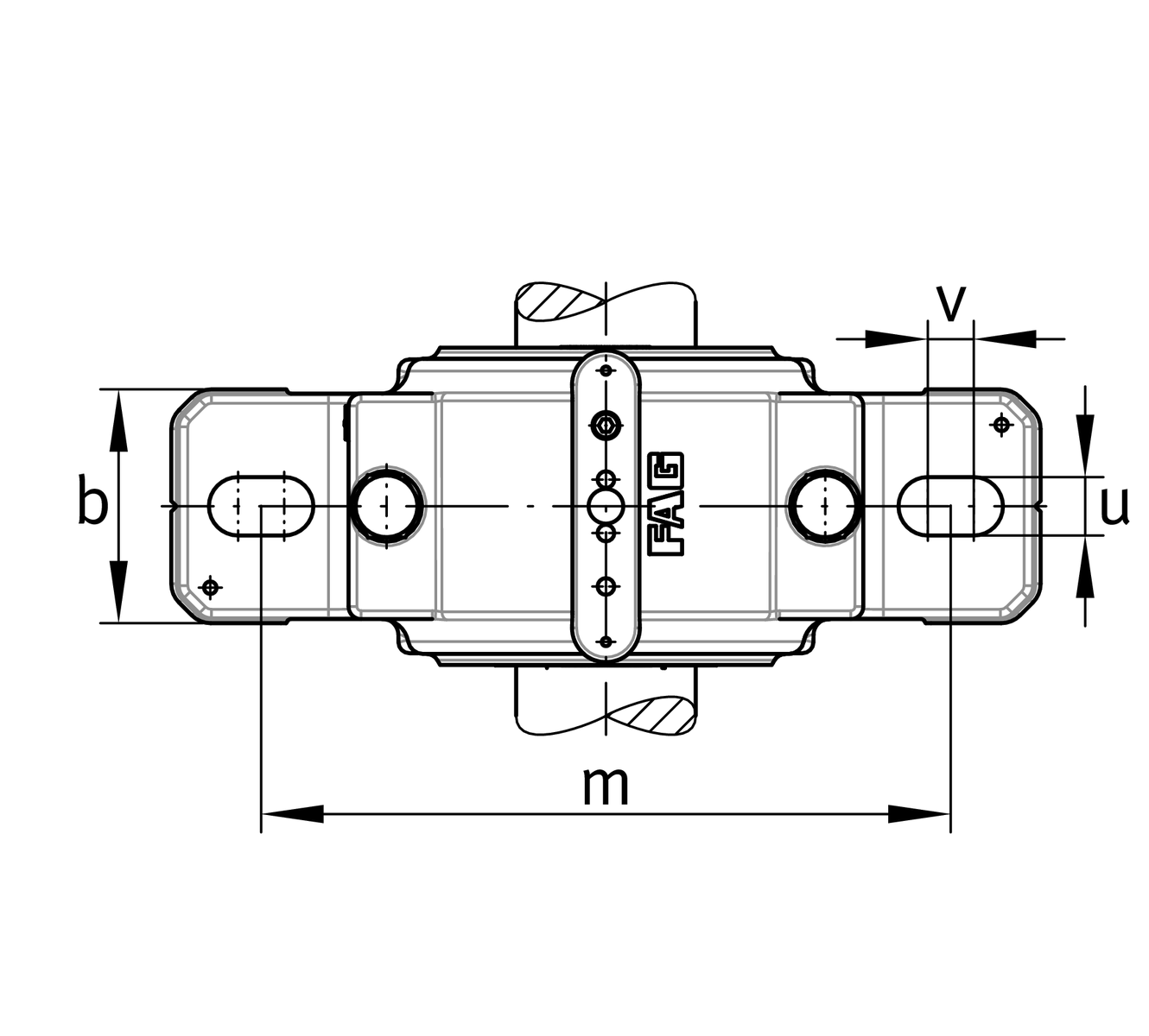
Main Dimensions & Performance Data
d1
68.263 mm
Shaft diameter inch
d1
68.2625 mm
Shaft diameter
a
330.2 mm
Length foot
h1
174.625 mm
Total height
g
120.65 mm
Width housing body
≈m
13.7 kg
Weight

Dimensions
b
88.9 mm
Width foot
c
31.75 mm
Height foot
D
140 mm
Outside diameter bearing
e
5.08 mm
Offset Bearing centre
h
88.9 mm
Distance shaft axis
k
42.8 mm
Width bearing seat
m
261.938 mm
Distance mounting holes
s
19.05 mm
screw size
v
22.225 mm
Width oblong hole
v
17.462 mm
Length oblong hole
Thêm vào yêu cầu báo giá