PRODUCTS

  • Home
  • Giới thiệu sản phẩm

FAG
SAFD515X0207U
Plummer block housings, split, SAF SAFD515X0207U
Thêm vào yêu cầu báo giá
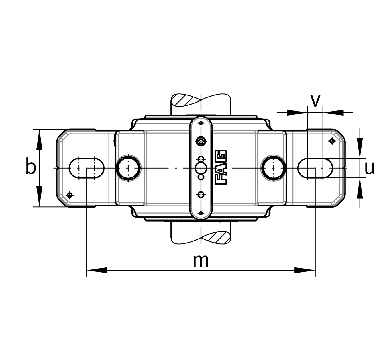
Main Dimensions & Performance Data
d1
61.912 mm
Shaft diameter inch
d1
61.9125 mm
Shaft diameter
a
285.75 mm
Length foot
h1
161.925 mm
Total height
g
117.475 mm
Width housing body
≈m
10.03 kg
Weight

Dimensions
b
79.375 mm
Width foot
c
28.575 mm
Height foot
D
130 mm
Outside diameter bearing
e
2.54 mm
Offset Bearing centre
h
82.55 mm
Distance shaft axis
k
37 mm
Width bearing seat
m
231.775 mm
Distance mounting holes
s
15.875 mm
screw size
v
19.05 mm
Width oblong hole
v
12.7 mm
Length oblong hole
Thêm vào yêu cầu báo giá