PRODUCTS

  • Home
  • Giới thiệu sản phẩm

INA
XU160260
Slewing ring, Crossed roller bearing, without gear teeth XU160260
Thêm vào yêu cầu báo giá
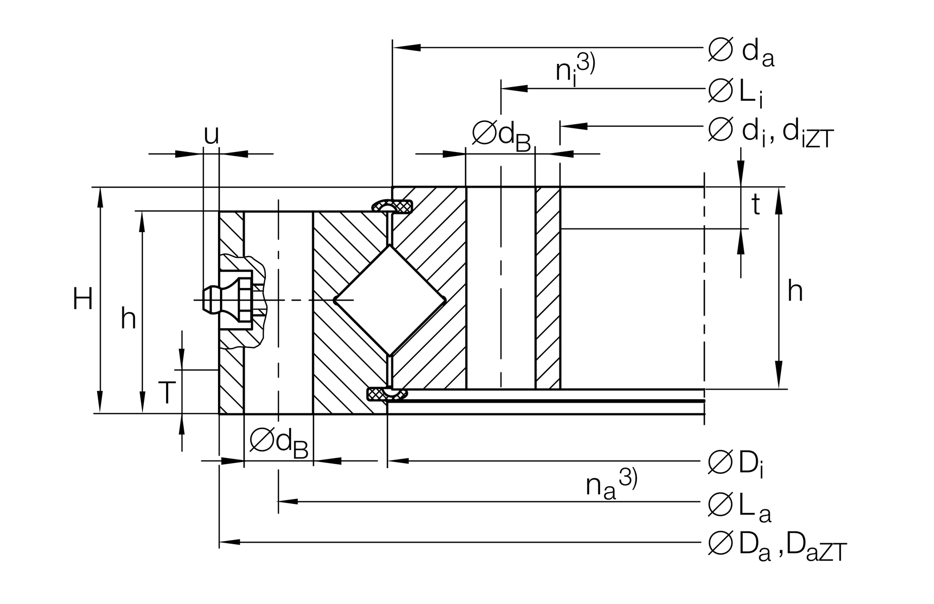
Main Dimensions & Performance Data
di
191 mm
Bore Diameter
Da
329 mm
Outside Diameter
H
46 mm
Height
≈m
15.4 kg
Weight

Dimensions
Di
261 mm
Inner diameter outer ring
ha
41 mm
height outer ring
La
305 mm
Pitchcircle diameter fixing holes outer ring
na
20
Number of fixing holes in outer ring
da
259 mm
Outside diameter inner ring
hi
41 mm
height of inner ring
dB
14 mm
Fixing bore
Li
215 mm
Pitchcircle diameter fixing holes inner ring
ni
20
Number of fixing holes in inner ring
umax
3.5 mm
Max. protrusion lubrication nipple
VSPmin
0 mm
Min. bearing preload
VSPmax
0.02 mm
Maximum bearing preload

Temperature range
Tmin
-30 °C
Operating temperature min.
Tmax
80 °C
Operating temperature max.

Calculation factors
Ca
198,000 N
Basic dynamic load rating, axial
Cr
141,000 N
Basic dynamic load rating, radial (for radial load only)
C0a
405,000 N
Basic static load rating, axial
C0r
199,000 N
Basic static load rating, radial (for radial load only)
Fr zu.
82,600 N
Max. radial load screws
Thêm vào yêu cầu báo giá