PRODUCTS
- Home
- Giới thiệu sản phẩm
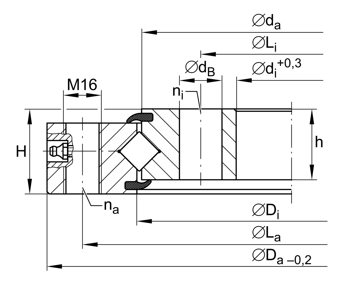
| di | 140 mm | Bore Diameter |
0.3 mm | Bore diameter upper tolerance | |
0 mm | Bore diameter lower tolerance | |
| di ZT | 141 mm | Diameter centring inner ring |
IT8 | Diameter centring inner ring tolerance | |
| Da | 300 mm | Outside Diameter |
| Da ZT | 299 mm | Diameter centring outer ring |
| Da | 299 mm | Diameter centring outer ring |
-IT8 | Diameter centring outer ring tolerance | |
0 mm | Outside diameter upper tolerance | |
-0.2 mm | Outside diameter lower tolerance | |
| H | 36 mm | Height |
| ≈m | 11.17 kg | Weight |
| Di | 224 mm | Inner diameter outer ring |
| ha | 30 mm | height outer ring |
| La | 270 mm | Pitchcircle diameter fixing holes outer ring |
| na | 12 | Number of fixing holes in outer ring |
| da | 220 mm | Outside diameter inner ring |
| hi | 30 mm | height of inner ring |
| dB | 18 mm | Fixing bore |
| Li | 170 mm | Pitchcircle diameter fixing holes inner ring |
| ni | 12 | Number of fixing holes in inner ring |
M16 | Tread fixing bore | |
0.01 mm | Normal radial clearance min. | |
0.03 mm | Normal radial clearance max. | |
0.02 mm | Normal axial tilting clearance min. | |
0.06 mm | Normal axial tilting clearance max. |
| Tmin | -30 °C | Operating temperature min. |
| Tmax | 80 °C | Operating temperature max. |
| Ca | 116,000 N | Basic dynamic load rating, axial |
| Cr | 83,000 N | Basic dynamic load rating, radial (for radial load only) |
| C0a | 305,000 N | Basic static load rating, axial |
| C0r | 149,000 N | Basic static load rating, radial (for radial load only) |
| Fr zu. | 44,500 N | Max. radial load screws |
| Centering | ZT | Centering on inner and outer ring |