PRODUCTS

  • Home
  • Giới thiệu sản phẩm

FAG
16008-A
Deep groove ball bearing 16008-A
Thêm vào yêu cầu báo giá
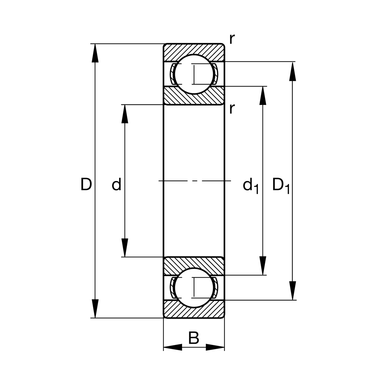
Main Dimensions & Performance Data
d
40 mm
Bore diameter
D
68 mm
Outside diameter
B
9 mm
Width
Cr
12,620 N
Basic dynamic load rating, radial
C0r
9,650 N
Basic static load rating, radial
Cur
570 N
Fatigue load limit, radial
nG
15,200 1/min
Limiting speed
nϑr
7,800 1/min
Reference speed
≈m
0.127 kg
Weight

Mounting dimensions
da min
42 mm
Minimum diameter shaft shoulder
Da max
66 mm
Maximum diameter of housing shoulder
ra max
0.3 mm
Maximum fillet radius

Dimensions
rmin
0.3 mm
Minimum chamfer dimension
D1
58.4 mm
Shoulder diameter outer ring
d1
49.7 mm
Shoulder diameter inner ring

Temperature range
Tmin
-30 °C
Operating temperature min.
Tmax
120 °C
Operating temperature max.

Calculation factors
f0
16
Calculation factor

Your current product variant
Changed internal designADesign variant A
SealingWithoutNot sealed
CageJNsteel sheet metal
Tolerance classPNNormal (PN)
Dimensional / heat stabilization SNRings dimensional stabilized up to 120°
LubricantWithoutBearing not greased
Bore typeZCylindrical
Radial internal clearanceCN (Group N)Normal internal clearance
Thêm vào yêu cầu báo giá