PRODUCTS

  • Home
  • Giới thiệu sản phẩm

FAG
16007-A-C3
Deep groove ball bearing 16007-A-C3
Thêm vào yêu cầu báo giá
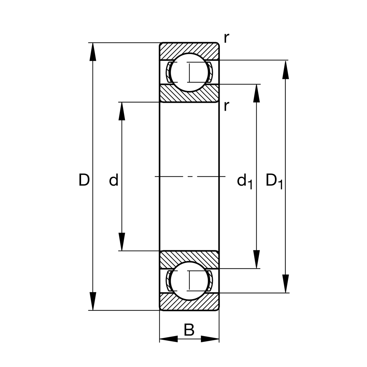
Main Dimensions & Performance Data
d
35 mm
Bore diameter
D
62 mm
Outside diameter
B
9 mm
Width
Cr
12,260 N
Basic dynamic load rating, radial
C0r
8,800 N
Basic static load rating, radial
Cur
540 N
Fatigue load limit, radial
nG
16,700 1/min
Limiting speed
nϑr
8,900 1/min
Reference speed
≈m
0.111 kg
Weight

Mounting dimensions
da min
37 mm
Minimum diameter shaft shoulder
Da max
60 mm
Maximum diameter of housing shoulder
ra max
0.3 mm
Maximum fillet radius

Dimensions
rmin
0.3 mm
Minimum chamfer dimension
D1
52.74 mm
Shoulder diameter outer ring
d1
44.26 mm
Shoulder diameter inner ring

Temperature range
Tmin
-30 °C
Operating temperature min.
Tmax
120 °C
Operating temperature max.

Calculation factors
f0
15.6
Calculation factor

Your current product variant
Changed internal designADesign variant A
SealingWithoutNot sealed
CageJNsteel sheet metal
Tolerance classPNNormal (PN)
Dimensional / heat stabilization SNRings dimensional stabilized up to 120°
LubricantWithoutBearing not greased
Bore typeZCylindrical
Radial internal clearanceC3 (Group 3)Internal clearance larger than CN
Thêm vào yêu cầu báo giá