PRODUCTS

  • Home
  • Giới thiệu sản phẩm

INA
81134-TV
Axial cylindrical roller bearing 81134-TV
Thêm vào yêu cầu báo giá
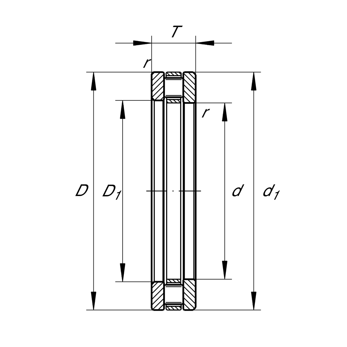
Main Dimensions & Performance Data
d
170 mm
Bore diameter
T
34 mm
Height
Ca
360,000 N
Basic dynamic load rating, axial
C0a
1,380,000 N
Basic static load rating, axial
Cua
125,000 N
Fatigue load limit, axial
nG
1,500 1/min
Limiting speed
nϑr
570 1/min
Reference speed
D
215 mm
Outside diameter
≈m
2.607 kg
Weight

Mounting dimensions
da min
209 mm
Minimum diameter shaft shoulder
Da max
176 mm
Maximum diameter of housing shoulder
ra max
1.1 mm
Maximum recess radius

Dimensions
D1
172 mm
Bore diameter housing washer
d1
213 mm
Rip diameter shaft washer
rmin
1.1 mm
Minimum chamfer dimension

Temperature range
Tmin
-30 °C
Operating temperature min.
Tmax
120 °C
Operating temperature max.

Additional information
K81134-TV
Axial roller and cage assembly
GS81134
Housing Washer
WS81134
Shaft washer

Your current product variant
CageTVPlastic Cage made from PA66
Thêm vào yêu cầu báo giá