PRODUCTS

  • Home
  • Giới thiệu sản phẩm

INA
81136-M
Axial cylindrical roller bearing 81136-M
Thêm vào yêu cầu báo giá
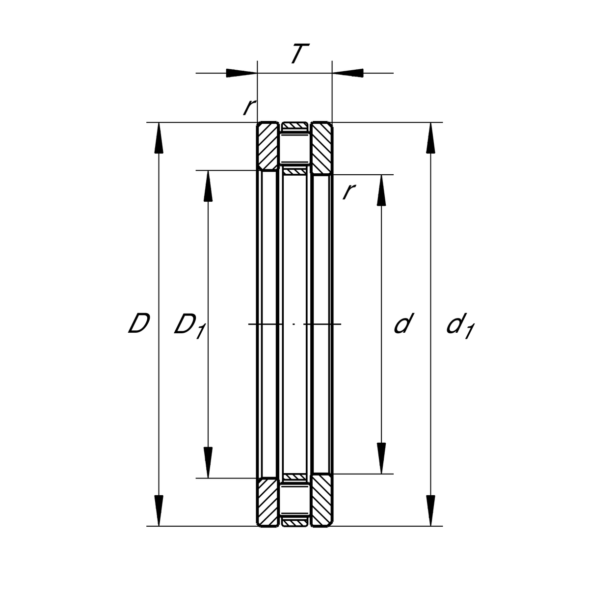
Main Dimensions & Performance Data
d
180 mm
Bore diameter
T
34 mm
Height
Ca
340,000 N
Basic dynamic load rating, axial
C0a
1,300,000 N
Basic static load rating, axial
Cua
116,000 N
Fatigue load limit, axial
nG
1,420 1/min
Limiting speed
nϑr
580 1/min
Reference speed
D
225 mm
Outside diameter
≈m
3.194 kg
Weight

Mounting dimensions
da min
219 mm
Minimum diameter shaft shoulder
Da max
185 mm
Maximum diameter of housing shoulder
ra max
1.1 mm
Maximum recess radius

Dimensions
D1
183 mm
Bore diameter housing washer
d1
222 mm
Rip diameter shaft washer
rmin
1.1 mm
Minimum chamfer dimension

Temperature range
Tmin
-30 °C
Operating temperature min.
Tmax
120 °C
Operating temperature max.

Additional information
K81136-M
Axial roller and cage assembly
GS81136
Housing Washer
WS81136
Shaft washer

Your current product variant
CageMBrass Cage
Thêm vào yêu cầu báo giá