PRODUCTS

  • Home
  • Giới thiệu sản phẩm

Schaeffler
EDV515X207
Sealing ring EDV515X207
Thêm vào yêu cầu báo giá
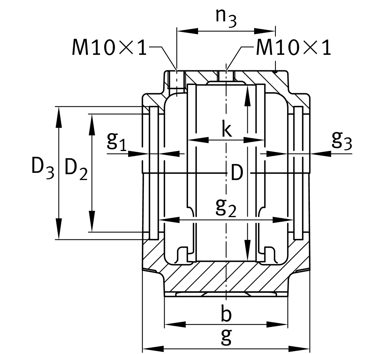
Main Dimensions & Performance Data
d
61.913 mm
Shaft diameter
d2
61.9125 mm
Sealing shaft diameter
D3
95.5 mm
Outside diamater
D2
87 mm
Diameter Sealingseat
Thêm vào yêu cầu báo giá