PRODUCTS

  • Home
  • Giới thiệu sản phẩm

Schaeffler
EDV513X204
Sealing ring EDV513X204
Thêm vào yêu cầu báo giá
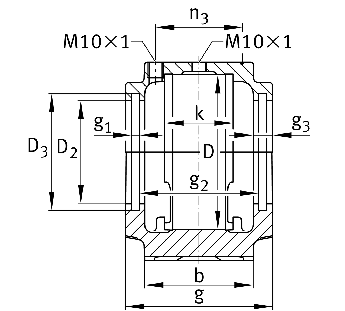
Main Dimensions & Performance Data
d
57.15 mm
Shaft diameter
d2
57.15 mm
Sealing shaft diameter
D3
85.5 mm
Outside diamater
D2
77 mm
Diameter Sealingseat
Thêm vào yêu cầu báo giá