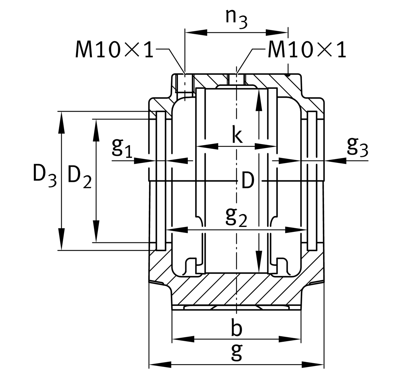
Sealing ring EDV511X115 Đã thêm mặt hàng bạn chọn vào danh sách yêu cầu báo giá, cảm ơn bạn rất nhiều!