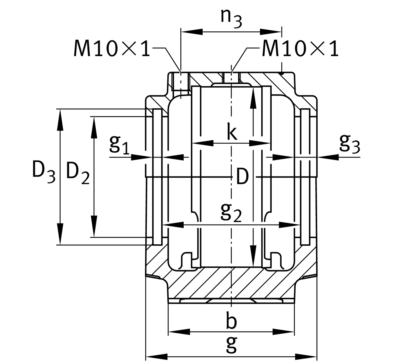
Sealing ring EDV510X111 Đã thêm mặt hàng bạn chọn vào danh sách yêu cầu báo giá, cảm ơn bạn rất nhiều!