PRODUCTS

  • Home
  • Giới thiệu sản phẩm

INA
G1104-KTT-B-AS2/V
Radial insert ball bearing G1104-KTT-B-AS2/V
Thêm vào yêu cầu báo giá
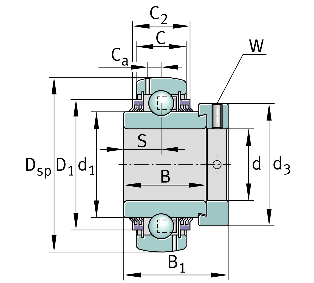
Main Dimensions & Performance Data
d
31.75 mm
Bore diameter
d
31.75 mm
Bore diameter, inch
DSP
72 mm
Outside diameter
B
37.7 mm
Width
B1
51.3 mm
Locking collar total width
Cr
25,500 N
Basic dynamic load rating, radial
C0r
15,300 N
Basic static load rating, radial
≈m
0.642 kg
Weight

Dimensions
C
19 mm
Width, outer ring
C2
22.5 mm
Sealing total width
S
18.8 mm
Distance raceway
d1
46.83 mm
Rib diameter inner ring
D1
60.3 mm
Outside diameter seal
Ca
5.7 mm
Distance to lubrication hole
d3
51 mm
Outside diameter locking collar/locknut
W
4.75 mm
Width of flats (inch)

Temperature range
Tmin
-20 °C
Operating temperature min.
Tmax
100 °C
Operating temperature max.

Your current product variant
SealingKTTTriple lip seals on both sides
Shape of outer surfaceB
Lubrication hole transposedAS2/VAS2/V
Thêm vào yêu cầu báo giá