PRODUCTS

  • Home
  • Giới thiệu sản phẩm

INA
AMS30
Locknut socketadapter for precision locknuts AM AMS30
Thêm vào yêu cầu báo giá
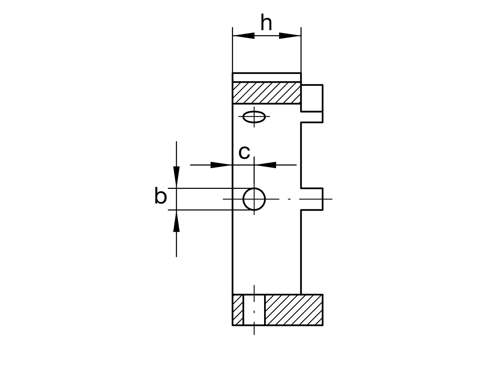
Dimensions
D
45 mm
Outside diameter
h
15 mm
Height
d
35 mm
Bore diameter
B
5 mm
Groove width
b
5 mm
bore diameter through hole
H11
Bore diameter through hole fit
c
5 mm
Distance bore
t
2 mm
groove depth
≈m
69 g
Weight

Additional information
AM25, AM30, AM35/58, AM30/65
Suitable nut
Thêm vào yêu cầu báo giá