PRODUCTS

  • Home
  • Giới thiệu sản phẩm

INA
AMS20
Locknut socketadapter for precision locknuts AM AMS20
Thêm vào yêu cầu báo giá
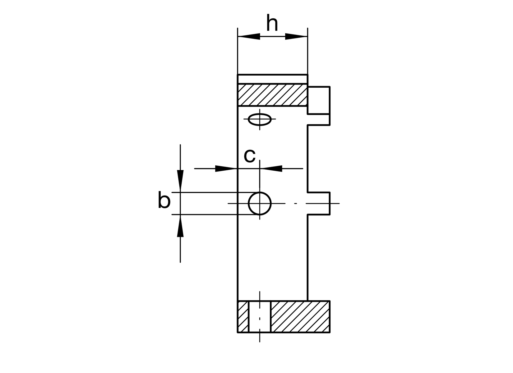
Dimensions
D
32 mm
Outside diameter
h
14 mm
Height
d
22 mm
Bore diameter
B
4 mm
Groove width
b
4 mm
bore diameter through hole
H11
Bore diameter through hole fit
c
5 mm
Distance bore
t
2 mm
groove depth
≈m
44.81 g
Weight

Additional information
AM15, AM17, AM20
Suitable nut
Thêm vào yêu cầu báo giá